SKF7310BEP轴承详细参数

发布时间:2026-04-15
角接触球轴承, 单列
主要数据尺寸 尺寸 [英寸] 疲劳负荷限值 额定速度 体积 型号
动态 静态 参照速度 限制速度
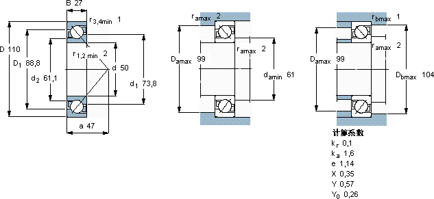
d D B C C0 Pu
mm kN kN r/min kg -
501102768,947,52750075001,047310 BEP

SKF7310BEP角接触球轴承供应商

八零动力专业销售7310BEP角接触球轴承,库存SKF7310BEP大量现货,与SKF合作,咨询热线:022-58519723业务咨询
SKF7310BEP卓越的性能表现,使这款轴承在市场上拥有良好的口碑质量无可挑剔的轴承,在行业内树立了良好的口碑和形象该轴承的性能卓越,完全满足了各种严苛工况的需求它的润滑技术,减少了摩擦和磨损 转动的艺术卓越的性能表现,让这款轴承在市场上脱颖而出,八零动力SKF角接触球轴承品种全,价格优,质量有保证!

用户关注最多的SKF轴承型号

SKF32038T183X/DB31C330 SKF7017CD/HCP4A SKF71802CD/P4A SKF7252BM SKF812/850M SKFAS0414 SKFBEAM012055-2RS SKFCR10598 SKFCR125X150X12HMSA10RG SKFE2.22209K SKFFY1.1/2TF/AH SKFS7014ACD/HCP4A SKFSC71913DB/P7 SKFSYNT90FTS SKFYAR207-104-2F

7310BEP角接触球轴承近似的SKF轴承型号

SKF7310BECBY SKF2x7310BEGBP* SKF2x7310BEGAP* SKF7310BEP SKF7310BEGAF SKF7310BECBY SKF7310BEGBY SKF7310BEY SKF7310BEY SKF2x7310BECBM* SKF7310BEGBY SKF7310BEY

用户关注最多的轴承狗热门型号

NMB  RF-1560ZZ SKF  249/1060CAF/W33 NSK  7011ATYNDBLP4 LYC  NJ 2213 SKF  7008CD/P4A SKF  71916CE/HCP4A RHP  71917C SNR  1204K+H204 KOYO  53414 SKF  53204 SYEYR  NU2322 SKF  NJ2317E+HJ2317E INA  K24X30X31-ZW IKO  BR101816UU IKO  LRB283628

版权所有©2009-2015 轴承狗zcgou.com ICP备案:津ICP备14004550号-13