SKF2x7310BECBM*轴承详细参数

发布时间:2026-05-29
角接触球轴承, 单列,用于配对安装, 面对面配对
主要数据尺寸 基本负荷额定值 疲劳负荷限值 额定速度 体积 型号 轴承配对
动态 静态 参照速度 限制速度
d D 2B C C0 Pu * - SKF Explorer 轴承
mm kN kN r/min kg --
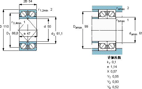
50110541201024,3630080002,302 × 7310 BECBM *DF

SKF2x7310BECBM*角接触球轴承供应商

八零动力专业销售2x7310BECBM*角接触球轴承,库存SKF2x7310BECBM*大量现货,与SKF合作,咨询热线:022-58519723业务咨询
SKF2x7310BECBM*高精度与高可靠性的完美结合,成就了这款杰出的轴承它的高效率,让机械运转更加节能 这轴承的设计巧妙,充分考虑了设备的运行需求和维护便利性制造工艺先进,使得这款轴承的性能远超普通产品匠心制造它的使用寿命,远超同类产品 ,八零动力SKF角接触球轴承品种全,价格优,质量有保证!

用户关注最多的SKF轴承型号

SKF2210EKTN9+H310 SKF51108V/HR22T2 SKF6301/HR11QN SKF6307-RS1* SKF80780/80720/CL3 SKFBT4B334038G/HA3 SKFCR125X150X12HMS5V SKFCR250X285X15HMSA10RG SKFCR419500 SKFCR60x110x8CRW1R SKFMS3192-88 SKFNNC4968CV SKFPCMS2005002.0E SKFS7010DB/P7 SKFS71918FB/P7

2x7310BECBM*角接触球轴承近似的SKF轴承型号

SKF7310BEY SKF7310BEGBY SKF7310BEGAM* SKF7310BEY SKF2x7310BECBP* SKF7310BECBY SKF7310B/DT SKF7310BECBJ SKF7310BECBM* SKF2x7310BEGBY SKF2x7310BECBJ SKF2x7310BECBP*

用户关注最多的轴承狗热门型号

NACHI  E33006J NACHI  6306-2NSE INA  PME50-N FAG  6334-M LYC  132.50.4000.12K LYC  33022/YB2 NSK  6207VV LYC  7211 ACM 国产  NA4915 TIMKEN  AOH3984 国产  71912CTA LYC  66/750 TN1/YA1/C9P5 TIMKEN  5302 MAC  NU219 SKF  CR400084

版权所有©2009-2015 轴承狗zcgou.com ICP备案:津ICP备14004550号-13