SKF2x7310BEGBP*轴承详细参数

发布时间:2026-04-14
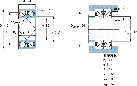
角接触球轴承, 单列,用于配对安装, 面对面配对
主要数据尺寸 基本负荷额定值 疲劳负荷限值 额定速度 体积 型号 轴承配对
动态 静态 参照速度 限制速度
d D 2B C C0 Pu * - SKF Explorer 轴承
mm kN kN r/min kg --
50110541201024,3630080002,102 × 7310 BEGBP *DF

SKF2x7310BEGBP*角接触球轴承供应商

八零动力专业销售2x7310BEGBP*角接触球轴承,库存SKF2x7310BEGBP*大量现货,与SKF合作,咨询热线:022-58519723业务咨询
SKF2x7310BEGBP*转动的艺术它的故障率极低,确保了设备的稳定运行 稳定持久高品质的轴承,在复杂工况下也能展现出卓越的性能它的精准度,让机械运转分毫不差 它的旋转精度,让高速运转成为现实 ,八零动力SKF角接触球轴承品种全,价格优,质量有保证!

用户关注最多的SKF轴承型号

SKF22244-2CS5K/VT143* SKF23064CC/W33 SKF294/750 SKF3302A-2RS1 SKF4203ATN9 SKF7013ACE/HCP4A SKF7015AC/DF SKF7240AC/DF SKF7319BECBY SKFC3144K+AOH3144* SKFC31/710KMB+AOHX31/710* SKFCR5541 SKFCR99150 SKFN092 SKFW36

2x7310BEGBP*角接触球轴承近似的SKF轴承型号

SKF7310BEGAY SKF7310BECBP SKF7310BECBY SKF7310B SKF2x7310BEGAF SKF7310B/DF SKF2x7310BECBJ SKF2x7310BEGBP* SKF7310BEGAM* SKF7310BEGAP* SKF2x7310BEGAY SKF2x7310BEGBY

用户关注最多的轴承狗热门型号

SKF  24128CCK30/W33 LYC  NU 6/2240 NSK  RNA5918 SKF  CR19737 NTN  AXK4565 FAG  NUP2306-E-TVP2 RIV  NU314 TIMKEN  222W FAG  SNV090-L + 22210-E1-K + H310 + FSV510 NACHI  6222N FAG  NJ2316-E-TVP2 + HJ2316E RHP  7334B/DF KOYO  23064RK+AH3064 INA  RWS1808-250/x250/x124 IKO  TAF8510525

版权所有©2009-2015 轴承狗zcgou.com ICP备案:津ICP备14004550号-13