SKF7310BECBY轴承详细参数

发布时间:2026-05-30
角接触球轴承, 单列
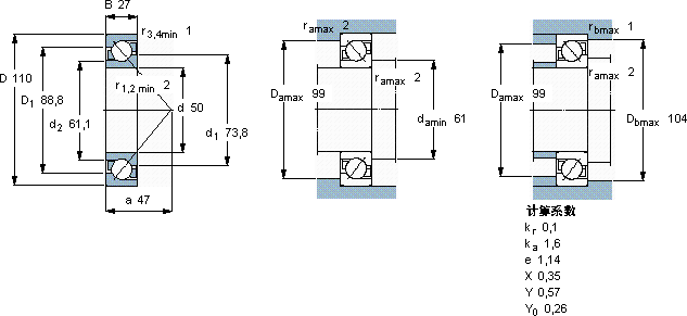
主要数据尺寸 尺寸 [英寸] 疲劳负荷限值 额定速度 体积 型号
动态 静态 参照速度 限制速度
d D B C C0 Pu
mm kN kN r/min kg -
501102774,1512,2750075001,137310 BECBY

SKF7310BECBY角接触球轴承供应商

八零动力专业销售7310BECBY角接触球轴承,库存SKF7310BECBY大量现货,与SKF合作,咨询热线:022-58519723业务咨询
SKF7310BECBY卓越的性能表现,让这款轴承在市场上脱颖而出它的抗拉强度,让它经得起各种考验 这轴承的精度控制令人佩服,为设备的精准运行提供了保障先进的制造工艺,让这款轴承的性能更加稳定可靠设计独特的轴承,不仅性能优越,还具有很高的性价比它的耐磨性能,让它在恶劣环境下依然稳定运行 ,八零动力SKF角接触球轴承品种全,价格优,质量有保证!

用户关注最多的SKF轴承型号

SKF2206ETN9 SKF248/530CAMA/W20 SKF3212ATN9* SKF6212-2RS1/HC5C3WT SKFCR15508 SKFCR24989 SKFCR28X62X12CRSH1R SKFCR30X40X7HMSA10V SKFCR401005 SKFCR75054 SKFLM12749/711/Q SKFNU238E SKFS71920CD/HCP4A SKFSAFC2538 SKFWS89317

7310BECBY角接触球轴承近似的SKF轴承型号

SKF7310B/DB SKF7310BECBP SKF2x7310BEGAF SKF7310B/DF SKF7310BECBP* SKF7310BEGBY SKF2x7310BECBY SKF7310B/DT SKF2x7310BEGAM* SKF2x7310BEGAY SKF7310BECBP* SKF7310BEGAF

用户关注最多的轴承狗热门型号

SKF  NUP2324E NSK  CM-UCFL210-114D1 LYC  NNU 49/500 K/W33 NTN  6200N NSK  6008 NTN  7240B TORRINGTON&FAFNIR  7203C SKF  307352 SKF  GEZM600ES-2RS LYC  32015 X MRC  NU1024 FLT  NU328 FAG  SNV085-L + 2209-K-TVH-C3 + H309X108 + DH509X107 STEYR  53308 IKO  LBD8S

版权所有©2009-2015 轴承狗zcgou.com ICP备案:津ICP备14004550号-13