SKF7310BEGAP*轴承详细参数

发布时间:2026-05-30
角接触球轴承, 单列
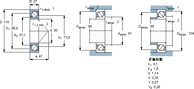
主要数据尺寸 尺寸 [英寸] 疲劳负荷限值 额定速度 体积 型号
动态 静态 参照速度 限制速度
d D B C C0 Pu * - SKF Explorer 轴承
mm kN kN r/min kg -
501102775512,16800080001,047310 BEGAP *

SKF7310BEGAP*角接触球轴承供应商

八零动力专业销售7310BEGAP*角接触球轴承,库存SKF7310BEGAP*大量现货,与SKF合作,咨询热线:022-58519723业务咨询
SKF7310BEGAP*高精度的轴承,为设备的稳定运行提供了坚实保障它的质量卓越,为机械设备的安全运行保驾护航给您意想不到的顺畅体验,轴承的稳定性和可靠性表现卓越,赢得了广泛赞誉它的模块化设计,让安装和更换变得轻松便捷 它的润滑技术,减少了摩擦和磨损 ,八零动力SKF角接触球轴承品种全,价格优,质量有保证!

用户关注最多的SKF轴承型号

SKF24134CCK30/W33* SKF2x7304BECBPH* SKF320/28X/Q SKF61864MA SKF7010AC/DB SKFCR22x35x7CRW1R SKFCR28746 SKFCR2900564 SKFCR57578 SKFCR590653 SKFK73x79x20 SKFPCM556020M SKFPFD15/16RM SKFSY40WF SKFSYR2.15/16H

7310BEGAP*角接触球轴承近似的SKF轴承型号

SKF2x7310BECBY SKF2x7310BEGBY SKF7310BECBM* SKF7310BECBJ SKF7310B/DB SKF7310BEP SKF7310BEGAY SKF2x7310BEGAY SKF2x7310BEGAF SKF7310BECBY SKF7310BEGAM* SKF7310BEGAY

用户关注最多的轴承狗热门型号

LYC  NUKR 250 X/YA KOYO  R25/13-1 FAG  SNV240-L + 1322-K-M-C3 + H322X400 + TSV522X400 SKF  CR224x260x16HDS1R SKF  24036CCK30/W33+AH24036* INA  KGNC30-C-PP-AS NACHI  62/28NSE LYC  3519/500/P5 SKF  AH24034 TIMKEN  42381 /42587-B NACHI  24128AXK30 SKF  NJ213ECML* FAG  222SM75-TVPA KOYO  1310 FAG  SNV090-L + 2210-TVH + FSV210

版权所有©2009-2015 轴承狗zcgou.com ICP备案:津ICP备14004550号-13