SKF2x7310BEGAM*轴承详细参数

发布时间:2026-05-31
角接触球轴承, 单列,用于配对安装, 面对面配对
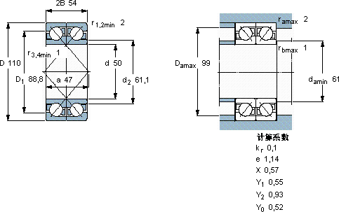
主要数据尺寸 基本负荷额定值 疲劳负荷限值 额定速度 体积 型号 轴承配对
动态 静态 参照速度 限制速度
d D 2B C C0 Pu * - SKF Explorer 轴承
mm kN kN r/min kg --
50110541201024,3630080002,302 × 7310 BEGAM *DF

SKF2x7310BEGAM*角接触球轴承供应商

八零动力专业销售2x7310BEGAM*角接触球轴承,库存SKF2x7310BEGAM*大量现货,与SKF合作,咨询热线:022-58519723业务咨询
SKF2x7310BEGAM*它的微观表面处理,减少了摩擦和磨损 它的疲劳强度,确保了长期使用的可靠性 制造工艺精湛,使得这款轴承的精度、稳定性和耐用性都非常出色高品质的轴承,在各种复杂工况下都能展现出卓越的性能表现承载重载历经岁月高精度与高可靠性的完美结合,成就了这款杰出的轴承,八零动力SKF角接触球轴承品种全,价格优,质量有保证!

用户关注最多的SKF轴承型号

SKFC30/630KM* SKFC31/800KMB+OH31/800HE* SKFCR14262 SKFCR15.5x24x5CRS1R SKFCR35X52X8HMSA10RG SKFFSYE4.H-18 SKFGE17TXGR SKFM17x1 SKFNJ328ECML* SKFNKX20 SKFNU1980ECMA SKFNUP2205E SKFNUP2214ECML* SKFSAFC3048KAx8.7/16 SKFSYNT50LW

2x7310BEGAM*角接触球轴承近似的SKF轴承型号

SKF7310BEGAY SKF7310BECBM* SKF7310BEY SKF7310BEGAP* SKF7310B/DT SKF7310BECBP SKF2x7310BEGAY SKF2x7310BEGAF SKF2x7310BECBY SKF2x7310BEGAM* SKF2x7310BEGAF SKF2x7310BEGAP*

用户关注最多的轴承狗热门型号

SKF  CR14006 TIMKEN  484/472D+X2S-484 TIMKEN  RCJO INA  NUTR45100 SKF  OKCX600 国产  6209-N MAC  N313 TIMKEN  HH221449/HH221410-B NSK  1310 LYC  22315/P5 STEYR  7312B/DB KOYO  29488R TIMKEN  260RF51 TORRINGTON  22219CC/W33 KOYO  6012-2RZ

版权所有©2009-2015 轴承狗zcgou.com ICP备案:津ICP备14004550号-13