SKF7310BECBP*轴承详细参数

发布时间:2026-04-15
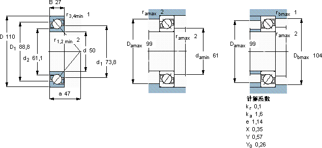
角接触球轴承, 单列
主要数据尺寸 尺寸 [英寸] 疲劳负荷限值 额定速度 体积 型号
动态 静态 参照速度 限制速度
d D B C C0 Pu * - SKF Explorer 轴承
mm kN kN r/min kg -
501102775512,16800080001,047310 BECBP *

SKF7310BECBP*角接触球轴承供应商

八零动力专业销售7310BECBP*角接触球轴承,库存SKF7310BECBP*大量现货,与SKF合作,咨询热线:022-58519723业务咨询
SKF7310BECBP*轴承的耐用性极佳,能够承受高强度的工作负荷制造工艺精湛,使得这款轴承的精度、稳定性和耐用性都非常出色转动不停歇其设计和制造都达到了极高的水准,是一款不可多得的轴承它在矿山设备中的应用,确保了设备的高负载能力 它的润滑技术,减少了摩擦和磨损 ,八零动力SKF角接触球轴承品种全,价格优,质量有保证!

用户关注最多的SKF轴承型号

SKF241/900ECAF/W33 SKF319432DA-2LS SKF3314A-2Z SKFCR14824 SKFCR25518 SKFCR30x72x8CRW1R SKFCR85979 SKFFYR3.7/16H-3 SKFN1008KTNHA/SP SKFNNCF4944CV SKFNNU4921BK/SPW33 SKFSC71910DB/P7 SKFSYNT35L SKFTVN213A SKFZ212

7310BECBP*角接触球轴承近似的SKF轴承型号

SKF2x7310BEGBP* SKF7310BECBM SKF2x7310BEGAY SKF7310B/DF SKF7310BECBP* SKF7310BECBJ SKF2x7310BEGBY SKF2x7310BECBY SKF7310BEGAP* SKF2x7310BECBJ SKF7310BECBM* SKF7310BECBY

用户关注最多的轴承狗热门型号

SKF  CR530x575x20HS5R SKF  OKCX660 MRC  7238C SKF  AOH3160G INA  PAP180100-P10 TIMKEN  JW5049/JW5010 DKF  7203AC/DT SKF  QJ212MA STEYR  NU2226 KOYO  47T6246A SKF  CR99587 SKF  GS89328 NTN  NJ2306E SKF  SY30TR SKF  NU313ECP

版权所有©2009-2015 轴承狗zcgou.com ICP备案:津ICP备14004550号-13