SKF7310BECBM*轴承详细参数

发布时间:2026-05-30
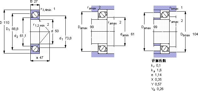
角接触球轴承, 单列
主要数据尺寸 尺寸 [英寸] 疲劳负荷限值 额定速度 体积 型号
动态 静态 参照速度 限制速度
d D B C C0 Pu * - SKF Explorer 轴承
mm kN kN r/min kg -
501102775512,16800080001,167310 BECBM *

SKF7310BECBM*角接触球轴承供应商

八零动力专业销售7310BECBM*角接触球轴承,库存SKF7310BECBM*大量现货,与SKF合作,咨询热线:022-58519723业务咨询
SKF7310BECBM*它的密封性能,减少了润滑剂的泄漏 精准运转其设计和制造都达到了极高的水准,是一款不可多得的轴承它的抗变形能力,让它在高负载下依然保持形状 轴承的选材精良,确保了其具有良好的耐磨性和抗腐蚀性它的加工设备,代表了世界领先水平 ,八零动力SKF角接触球轴承品种全,价格优,质量有保证!

用户关注最多的SKF轴承型号

SKF22240CC/W33* SKF2x7314BECBP* SKF6307* SKF6308/HR22Q2 SKF7206BEGBY SKFCR3250574 SKFCR340x372x16HDS1R SKFCR42X72X10HMS5RG SKFCR80X110X10HMS5V SKFCR99120 SKFN00 SKFNJ216ECJ* SKFRSTO40 SKFSDAF23196KAx18 SKFSNP3260x11

7310BECBM*角接触球轴承近似的SKF轴承型号

SKF2x7310BEGAP* SKF2x7310BECBY SKF7310BEGBY SKF7310BEY SKF7310BECBP* SKF7310B SKF2x7310BECBM* SKF2x7310BECBP* SKF7310BECBY SKF7310B/DF SKF7310BECBJ SKF7310BECBP*

用户关注最多的轴承狗热门型号

国产  NA4916 LYC  7203 EC FAG  NNU4968-S-K-M-SP INA  V4020 SKF  NNU4938/W33 SKF  CR32560 NTN  231/800BK FAG  BND2222-H-W-T-BF-S NSK  6921NR SKF  BS2B243486A TIMKEN  SDAF22234 SKF  CR300x340x18HDS1D ASAHI  UCFU315 SKF  CR16061 NTN  61921

版权所有©2009-2015 轴承狗zcgou.com ICP备案:津ICP备14004550号-13