SKF7309BECBP*轴承详细参数

发布时间:2026-04-15
角接触球轴承, 单列
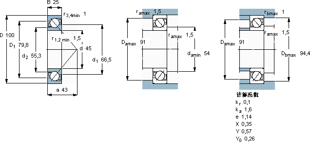
主要数据尺寸 尺寸 [英寸] 疲劳负荷限值 额定速度 体积 型号
动态 静态 参照速度 限制速度
d D B C C0 Pu * - SKF Explorer 轴承
mm kN kN r/min kg -
45100256140,51,73900090000,827309 BECBP *

SKF7309BECBP*角接触球轴承供应商

八零动力专业销售7309BECBP*角接触球轴承,库存SKF7309BECBP*大量现货,与SKF合作,咨询热线:022-58519723业务咨询
SKF7309BECBP*它的可回收性,体现了环保理念 承载重载历经岁月轴承的精度极高,使得设备的运行误差被控制在极小范围内顺滑无声设计合理、性能优良的它,是机械设备实现高效运行的重要保障它的抗氧化性能,延长了它的使用寿命 ,八零动力SKF角接触球轴承品种全,价格优,质量有保证!

用户关注最多的SKF轴承型号

SKF22313EK* SKF2x7415BCBM SKF617670 SKF61819-2RS SKF6305-2RS1* SKFAHX2319 SKFAHX3026 SKFBT4B328965/HA1 SKFCR15788 SKFCR18733 SKFEEB3-2Z SKFNK95/26 SKFNU309ECJ* SKFQJ208 SKFSNP3064x11.1/2

7309BECBP*角接触球轴承近似的SKF轴承型号

SKF7309BEGBY SKF7309BECBM* SKF7309BEGAP* SKF7309BECBP* SKF7309BECBY SKF7309BECBJ SKF7309B/DB SKF7309BECBPH* SKF7309BEP SKF2x7309BEGBY SKF7309BECBM* SKF7309BECBPH*

用户关注最多的轴承狗热门型号

FAG  SNV140-L + 22313-E1-K + H2313X204 + TSV613X204 INA  XV90 SKF  C2212TN9* SKF  CR68X90X10HMS5V SNR  7036AC/DF SKF  NJ2210ECPH* SKF  CR77996 FAG  F522-WB-L + 2222-K-M-C3 SKF  316388AB NACHI  E17442 FAG  SNV140-L + 20313-K-MB-C3 + H313X206 + FSV613 SKF  W6004-2RS1 FAG  SNV120-L + 22311-E1-K + H2311X114 + DH611X114 NSK  606VV FAG  SNV190-L + 1318-K-M-C3 + H318X302 + DHV518

版权所有©2009-2015 轴承狗zcgou.com ICP备案:津ICP备14004550号-13