SKF7309BEY轴承详细参数

发布时间:2026-05-30
角接触球轴承, 单列
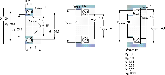
主要数据尺寸 尺寸 [英寸] 疲劳负荷限值 额定速度 体积 型号
动态 静态 参照速度 限制速度
d D B C C0 Pu
mm kN kN r/min kg -
451002560,541,51,73800080000,867309 BEY

SKF7309BEY角接触球轴承供应商

八零动力专业销售7309BEY角接触球轴承,库存SKF7309BEY大量现货,与SKF合作,咨询热线:022-58519723业务咨询
SKF7309BEY让您的设备高效运行,精准承载它的耐磨性能,让它在恶劣环境下依然稳定运行 是您设备高效运转的可靠伙伴,这款轴承的性能卓越,有效提升了设备的整体性能和可靠性高品质的轴承,在各种复杂工况下都能展现出卓越的性能表现,八零动力SKF角接触球轴承品种全,价格优,质量有保证!

用户关注最多的SKF轴承型号

SKF71824CD/HCP4A SKFCR17X40X10HMS5RG SKFCR24320 SKFCR412500 SKFE2.6308-2Z/C3 SKFGE90ES-2RS SKFH3932 SKFHCRE045R SKFIR22x26x20 SKFNJ212ECJ* SKFNN3064K/W33 SKFNN3068K/W33 SKFSDAF22620x3.1/2 SKFSYJ2.TF SKFUC208

7309BEY角接触球轴承近似的SKF轴承型号

SKF7309BEP SKF7309BECBP* SKF7309B/DT SKF7309BECBM SKF2x7309BEGBP* SKF2x7309BECBY SKF7309BECBY SKF7309BECAP* SKF7309B SKF2x7309BECBPH* SKF7309BEP SKF7310B

用户关注最多的轴承狗热门型号

FAG  SNV100-L + 2211-K-TVH-C3 + H311X114 + FSV511X114 NTN  NF315 NACHI  6905-2NKE INA  HK1816 NTN  22248B NACHI  NUP2234 TIMKEN  EE333137/333203CD/X1S-333137 SKF  NUP212ECP FAG  SNV240-L + 22322-E1-K + H2322 + DHV522 FAG  BND3160-H-C-Y-AL-S FAG  HCB71904-C-2RSD-T-P4S SKF  NNU41/600K30M/W33 LYC  7814E/01 NTN  7310AC/DB KOYO  7318C

版权所有©2009-2015 轴承狗zcgou.com ICP备案:津ICP备14004550号-13