SKF7309BECBM*轴承详细参数

发布时间:2026-04-15
角接触球轴承, 单列
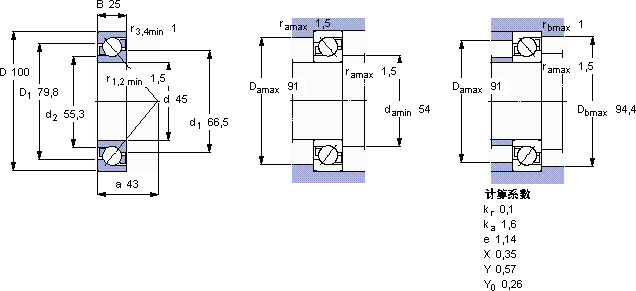
主要数据尺寸 尺寸 [英寸] 疲劳负荷限值 额定速度 体积 型号
动态 静态 参照速度 限制速度
d D B C C0 Pu * - SKF Explorer 轴承
mm kN kN r/min kg -
45100256140,51,73900090000,907309 BECBM *

SKF7309BECBM*角接触球轴承供应商

八零动力专业销售7309BECBM*角接触球轴承,库存SKF7309BECBM*大量现货,与SKF合作,咨询热线:022-58519723业务咨询
SKF7309BECBM*性能卓越的它,为机械设备的稳定运行提供了可靠保障它的抗氧化性能,延长了它的使用寿命 它的低噪音设计,减少了对环境的噪音污染 为您的机械提供持久动力,转动世界的精密之选,这轴承的精度控制令人佩服,为设备的精准运行提供了保障,八零动力SKF角接触球轴承品种全,价格优,质量有保证!

用户关注最多的SKF轴承型号

SKF21320EK+AHX320* SKF22224EK+H3124* SKF2320KM SKFBVNB328735/HA1 SKFC4126K30V/VE240+AH24126* SKFCR1150529 SKFCR4925 SKFIR7x10x16 SKFNCF2996V SKFNNCF4840CV SKFR6 SKFS7012DB/P7 SKFSNL3172LTURT SKFSYF35TF SKFW638/1.5-2Z

7309BECBM*角接触球轴承近似的SKF轴承型号

SKF7309BECBM* SKF7309BECBM SKF7309BEP SKF7309BEP SKF7309BEY SKF7309BECAP* SKF7309BECBPH* SKF7309BEY SKF2x7309BEGBY SKF7309B/DT SKF7309BECBJ SKF7309BECBP*

用户关注最多的轴承狗热门型号

LYC  51112/P5 SKF  C3092KM/HA3C4* SKF  CR406004 TIMKEN  385A/384EDC/X2S-385A NSK  95BNR19H NSK  LM91612-1 LYC  3806/254 -2LS NTN  6920NR SKF  NJ230ECJ* TIMKEN  HML41 KOYO  LM287849D/810/810D LYC  GEEW 70 ES-2RS NSK  NN3018 国产  N3312X3 NTN  7006AC/DB

版权所有©2009-2015 轴承狗zcgou.com ICP备案:津ICP备14004550号-13