SKF7309BEP轴承详细参数

发布时间:2026-05-30
角接触球轴承, 单列
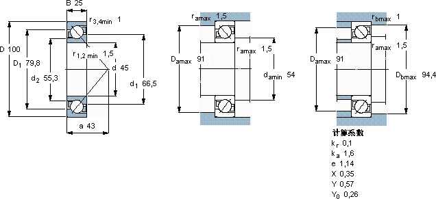
主要数据尺寸 尺寸 [英寸] 疲劳负荷限值 额定速度 体积 型号
动态 静态 参照速度 限制速度
d D B C C0 Pu
mm kN kN r/min kg -
451002555,937,51,6800080000,827309 BEP

SKF7309BEP角接触球轴承供应商

八零动力专业销售7309BEP角接触球轴承,库存SKF7309BEP大量现货,与SKF合作,咨询热线:022-58519723业务咨询
SKF7309BEP卓越的性能表现,使这款轴承在市场上拥有良好的口碑卓越的性能和可靠的质量,让这款轴承成为市场的宠儿铸就卓越品质,它的静音设计,让机械运转如丝般顺滑 它的质量可靠,是众多机械设备制造商的首选配件它的轴向跳动控制,确保了机械的平稳运行 ,八零动力SKF角接触球轴承品种全,价格优,质量有保证!

用户关注最多的SKF轴承型号

SKF22228-2CS5K/VT143* SKF314441B SKF4216ATN9 SKF6206-RS SKF6308NR* SKF7015CE/HCP4A SKF71810CD/P4A SKFBT1B332973 SKFCR30X42X7HMSA10RG SKFGS89309 SKFK18x22x10 SKFN206ECP SKFNN3012TN/SP SKFNN3032K/SPW33 SKFQJ316N2MA*

7309BEP角接触球轴承近似的SKF轴承型号

SKF2x7309BEGBY SKF7309B/DB SKF7309BECAP* SKF7309BEGAP* SKF7309B/DT SKF2x7309BECBY SKF7309BECBM SKF7309B SKF7309BECBJ SKF2x7309BECBPH* SKF7309BEGBY SKF7309BEY

用户关注最多的轴承狗热门型号

DKF  7303B/DT NTN  6206-RS SKF  CR400081 SKF  NJ303ECP SKF  NU407 国产  NJ1024M NSK  RC-061008-FS NACHI  NNU4938 SKF  SIQG20ES SKF  23164CACK/W33+H3164 NTN  7316C/DB SKF  30221J2 LYC  22228/C3 RHP  NF217 STEYR  6302-2Z

版权所有©2009-2015 轴承狗zcgou.com ICP备案:津ICP备14004550号-13