SKF7309BECBY轴承详细参数

发布时间:2026-04-15
角接触球轴承, 单列
主要数据尺寸 尺寸 [英寸] 疲劳负荷限值 额定速度 体积 型号
动态 静态 参照速度 限制速度
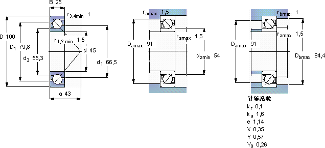
d D B C C0 Pu
mm kN kN r/min kg -
451002560,541,51,73800080000,867309 BECBY

SKF7309BECBY角接触球轴承供应商

八零动力专业销售7309BECBY角接触球轴承,库存SKF7309BECBY大量现货,与SKF合作,咨询热线:022-58519723业务咨询
SKF7309BECBY它的轻量化设计,减少了材料的使用 它的精密装配,确保了整体性能的卓越 以卓越品质是您成功路上的得力助手,运转起来如此顺滑,这款轴承的制造工艺着实令人赞叹它的尺寸一致性,让批量生产成为可能 ,八零动力SKF角接触球轴承品种全,价格优,质量有保证!

用户关注最多的SKF轴承型号

SKF240/850ECA/W33 SKF31313J2/QCL7C SKF4314ATN9 SKF51148M SKF51307 SKF6016NR* SKF61811 SKFAN22 SKFC3232* SKFCR18X28X7HMS5RG SKFCR46x73x8CRW1R SKFN038 SKFOKBS110 SKFPFT7/8FM SKFQJ332N2MA

7309BECBY角接触球轴承近似的SKF轴承型号

SKF2x7309BECBY SKF7309B/DT SKF2x7309BEGBP* SKF2x7309BECAP* SKF7309B SKF7309BECBPH* SKF2x7309BECBPH* SKF7309BECAP* SKF7309BECBY SKF7309BEGBP* SKF7309BECBPH* SKF7309BEGAP*

用户关注最多的轴承狗热门型号

SKF  7215BECBY FLT  NU322 SKF  NJ216ECML* FAG  SNV160-L + 23218-E1-K-TVPB + H2318X302 + DH518 FAG  NU202-E-TVP2 BARDEN  7205C LYC  23088/W33 SKF  51122 ZKL  7308B/DT SKF  HMV28E SKF  BT4B328391G/HA1 FAG  S6202-2RSR NTN  23248BK+AH2348 INA  PTUE25 IKO  LWESC30...SL.../U

版权所有©2009-2015 轴承狗zcgou.com ICP备案:津ICP备14004550号-13