SKF7306BECBM*轴承详细参数

发布时间:2026-05-30
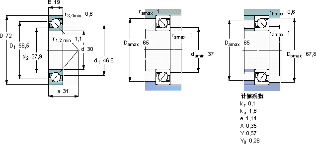
角接触球轴承, 单列
主要数据尺寸 尺寸 [英寸] 疲劳负荷限值 额定速度 体积 型号
动态 静态 参照速度 限制速度
d D B C C0 Pu * - SKF Explorer 轴承
mm kN kN r/min kg -
30721935,521,20,913000130000,377306 BECBM *

SKF7306BECBM*角接触球轴承供应商

八零动力专业销售7306BECBM*角接触球轴承,库存SKF7306BECBM*大量现货,与SKF合作,咨询热线:022-58519723业务咨询
SKF7306BECBM*它的抗冲击性能,让它经得起各种考验 轴承的稳定性和可靠性表现卓越,赢得了广泛赞誉精准承载它的稳定性,让它在各种环境下都能可靠工作 制造工艺精湛,使得这款轴承的精度、稳定性和耐用性都非常出色它在建筑机械中的应用,确保了设备的可靠性 ,八零动力SKF角接触球轴承品种全,价格优,质量有保证!

用户关注最多的SKF轴承型号

SKF249/750CA/W33 SKF3308ATN9 SKF63009-2RS1 SKF6379/K-6320/Q SKF7215C/DT SKFC2212KTN9+H312E* SKFCR1525549 SKFCR25X45X8HMSA10V SKFCR30X48X8HMSA10RG SKFFYT1.3/8WF SKFNJ218E SKFNU215ECML* SKFNUP318ECJ* SKFPCZ1416M SKFSI12E

7306BECBM*角接触球轴承近似的SKF轴承型号

SKF7306BECBP* SKF7306BEY SKF2x7306BECBY SKF7306B/DB SKF7306B SKF7306BEY SKF2x7306BEGBP* SKF2x7306BECBM* SKF2x7306BECBP* SKF7306BEP SKF7306BEY SKF7306BECBP*

用户关注最多的轴承狗热门型号

KOYO  6208-RS DKF  7301AC LYC  UC 60 BARDEN  7006C/DT SKF  CR99826 FYH  UELFU209 FAG  B71919-E-T-P4S TIMKEN  479 /472-B INA  IR75X85X35 SKF  HE322E SKF  RNA4826 FAG  SNV052-L + 22205-E1-K + H305 + DHV505 TORRINGTON  22338CCK/W33+H2338 IKO  CF10WBUUR/SG IKO  LBE16UUAJ

版权所有©2009-2015 轴承狗zcgou.com ICP备案:津ICP备14004550号-13