SKF7305BEP轴承详细参数

发布时间:2026-05-30
角接触球轴承, 单列
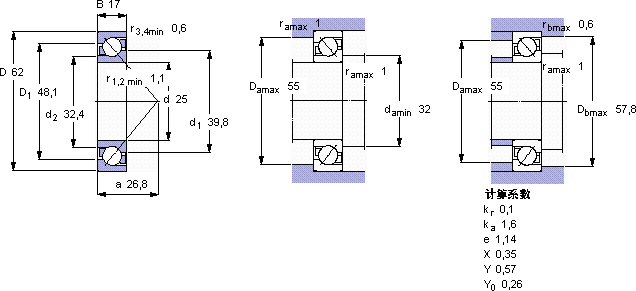
主要数据尺寸 尺寸 [英寸] 疲劳负荷限值 额定速度 体积 型号
动态 静态 参照速度 限制速度
d D B C C0 Pu
mm kN kN r/min kg -
25621724,2140,614000140000,237305 BEP

SKF7305BEP角接触球轴承供应商

八零动力专业销售7305BEP角接触球轴承,库存SKF7305BEP大量现货,与SKF合作,咨询热线:022-58519723业务咨询
SKF7305BEP这款轴承的精度极高,能够满足对精度要求苛刻的设备开启顺畅运行新时代,优秀的设计和卓越的性能,让这款轴承备受青睐该轴承的性能卓越,完全满足了各种严苛工况的需求设计合理、性能优良的它,是机械设备稳定运行的重要保障它的径向跳动控制,达到了行业顶尖水平 ,八零动力SKF角接触球轴承品种全,价格优,质量有保证!

用户关注最多的SKF轴承型号

SKF5412A SKF6014-2RS1* SKF61803 SKF61856MA SKFC3048K+OH3048H* SKFCR16743 SKFCR24X37X7HMS5V SKFCR58709 SKFCR99630 SKFFYNT40F SKFHMVC134E SKFN222ECP SKFNU321ECJ* SKFSNL3088F SKFSYH2.3/16FM

7305BEP角接触球轴承近似的SKF轴承型号

SKF7305BECBP* SKF7305B/DT SKF7305B SKF7305B/DB SKF2x7305BECBM* SKF2x7305BEGBY SKF7305BECBY SKF7305BECBP SKF7305BECBM SKF7305BEY SKF7305BEGBY SKF7305BEY

用户关注最多的轴承狗热门型号

DKF  7206AC/DT 国产  63/28-2Z INA  RWS1808-150/x150/x16 TORRINGTON FAFNIR  3211 STEYR  NJ411 NSK  6013ZZ 国产  23232 NSK  NA6918 SKF  NCF1884V FAG  AH3264-H NTN  6301-2ZN BARDEN  7006C/DB SKF  SYJ1.TF ASAHI  UCP310 NACHI  5211ANR

版权所有©2009-2015 轴承狗zcgou.com ICP备案:津ICP备14004550号-13