SKF7305BECBY轴承详细参数

发布时间:2026-05-30
角接触球轴承, 单列
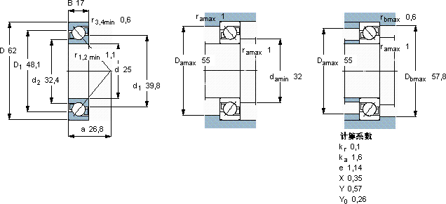
主要数据尺寸 尺寸 [英寸] 疲劳负荷限值 额定速度 体积 型号
动态 静态 参照速度 限制速度
d D B C C0 Pu
mm kN kN r/min kg -
2562172615,60,65514000140000,247305 BECBY

SKF7305BECBY角接触球轴承供应商

八零动力专业销售7305BECBY角接触球轴承,库存SKF7305BECBY大量现货,与SKF合作,咨询热线:022-58519723业务咨询
SKF7305BECBY它在矿山设备中的应用,确保了设备的高负载能力 它的质量过硬,为机械设备的高效、安全运行提供了保障让您的设备高效运行,它的轻量化设计,减少了材料的使用 它的抗压强度,让它承载能力惊人 高精度的制造工艺,让这款轴承的性能更加出色,八零动力SKF角接触球轴承品种全,价格优,质量有保证!

用户关注最多的SKF轴承型号

SKF230/710CAK/W33+AOH30/710* SKF2x7024BGM SKF313639 SKF6016-2RS1/W64* SKF623/HR22T2 SKFAH2338/170G SKFCR402506 SKFCR40x75x8CRW1V SKFCR534952 SKFFYTB15TF SKFNUP19/670ECMA SKFOKC330 SKFRNA2207.2RS SKFSIR35ES SKFSYR1.7/16NH

7305BECBY角接触球轴承近似的SKF轴承型号

SKF7305BEP SKF2x7305BEGAP* SKF7305B/DF SKF7305B/DB SKF2x7305BECBM* SKF7305BECBY SKF7305BEGBY SKF2x7305BECBP* SKF2x7305BECBY SKF7305BECBY SKF7305BECBP* SKF7305BEGAP*

用户关注最多的轴承狗热门型号

SKF  SAFC2228 INA  GAL10-DO SKF  7212ACD/HCP4A SKF  3202A-2RS1TN9/MT33 NSK  70BER19XE NSK  HR32040XJ STEYR  NJ224 SKF  6007-Z FAG  3804-B-2Z-TVH MRC  7313C/DF RHP  7328B/DF KOYO  23264CACK/W33 NSK  23020CDKE4 MRC  3220 KOYO  24122RHK30+AH24122

版权所有©2009-2015 轴承狗zcgou.com ICP备案:津ICP备14004550号-13