SKF7220BEY轴承详细参数

发布时间:2026-04-15
角接触球轴承, 单列
主要数据尺寸 尺寸 [英寸] 疲劳负荷限值 额定速度 体积 型号
动态 静态 参照速度 限制速度
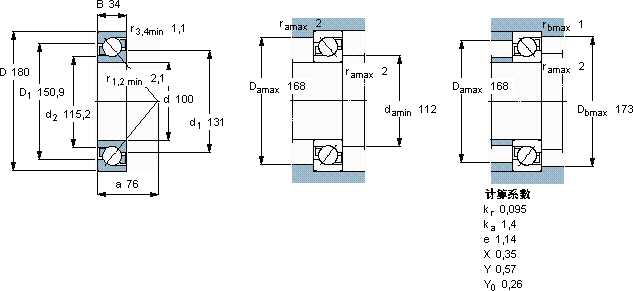
d D B C C0 Pu
mm kN kN r/min kg -
100180341351224,4400040003,387220 BEY

SKF7220BEY角接触球轴承供应商

八零动力专业销售7220BEY角接触球轴承,库存SKF7220BEY大量现货,与SKF合作,咨询热线:022-58519723业务咨询
SKF7220BEY它的多样化应用,展现了它的无限可能 高品质的轴承,在各种复杂环境下都能稳定发挥作用设计合理、性能优良的它,是机械设备稳定运行的重要保障出色的性能表现,让这款轴承成为行业内的明星产品,坚固的结构稳定的性能它在航空航天领域的应用,展现了它的高可靠性 ,八零动力SKF角接触球轴承品种全,价格优,质量有保证!

用户关注最多的SKF轴承型号

SKF22209EK+H309* SKF23284CA/W33 SKF305270D SKF6060M SKF7017CD/P4A SKFCR127540 SKFCR29912 SKFCR87298 SKFFBSA210/QBC SKFFYTB25TF SKFNJ2206ECP* SKFNN3044/SPW33 SKFNNTR110x260x115.2ZL SKFSNP3288x16.1/2 SKFSYR1.7/16H-3

7220BEY角接触球轴承近似的SKF轴承型号

SKF7220B/DF SKF7220BECBP SKF7220BEY SKF7220BECBM SKF2x7220BECBM SKF7220BECBY SKF7220BEP SKF7220BECCM SKF7220B/DT SKF7220C/DB SKF7220BEP SKF72212/2/72487/2/Q

用户关注最多的轴承狗热门型号

NTN  7012AC/DF SKF  C71922DB/P7 ZKL  32208 FAG  SNV085-L + 2209-TVH + DHV209 LYC  NN 3026 K/SPC9 LYC  30303/P6 TIMKEN  7311WN TIMKEN  497/493-B TORRINGTON  21315CC MRC  7208C/DF SKF  CR23708 LYC  7218 CJ MRC  7019AC/DF KOYO  29268R IKO  AZK559011

版权所有©2009-2015 轴承狗zcgou.com ICP备案:津ICP备14004550号-13