SKF7211BECBY轴承详细参数

发布时间:2026-04-15
角接触球轴承, 单列
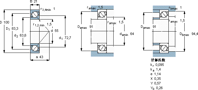
主要数据尺寸 尺寸 [英寸] 疲劳负荷限值 额定速度 体积 型号
动态 静态 参照速度 限制速度
d D B C C0 Pu
mm kN kN r/min kg -
551002148,8381,63750075000,627211 BECBY

SKF7211BECBY角接触球轴承供应商

八零动力专业销售7211BECBY角接触球轴承,库存SKF7211BECBY大量现货,与SKF合作,咨询热线:022-58519723业务咨询
SKF7211BECBY高品质的轴承,在各种复杂工况下都能展现出卓越的性能表现它的沟槽设计,完美匹配滚动体的运动轨迹 性能优越的轴承,极大地提升了设备的工作性能和效率它的精准度,让机械运转分毫不差 这款轴承的稳定性极佳,在长时间运行中也能保持良好状态是您机械世界里的不败功臣,,八零动力SKF角接触球轴承品种全,价格优,质量有保证!

用户关注最多的SKF轴承型号

SKF2222M SKF234440B SKF7011ACE/P4A SKFCR12X19X3HM4R SKFCR30x48x8CRW1R SKFCR31189 SKFCR55X85X8HMSA10RG SKFFYTBKC25NTR/VE495 SKFGE5C SKFNCF29/750V SKFNKI32/30 SKFNNC4934CV SKFPCM182020B SKFPCM303420E SKFZ302F

7211BECBY角接触球轴承近似的SKF轴承型号

SKF7211BEY SKF2x7211BECBJ SKF7211BECBP SKF7211B/DB SKF7211B/DT SKF7211BEGBY SKF7211C/DF SKF7211AC/DF SKF7211AC/DB SKF7211C/DB SKF7211BECBP* SKF7211BEGAP*

用户关注最多的轴承狗热门型号

FAG  BND2228-Z-T-BL-S SKF  KMFE15L FAG  BND3176-Z-T-BF-S INA  NA6901 NTN  61802-2RS DKF  7026AC/DB MRC  6420 SKF  RNA4906.2RS SKF  W6204-2RS1 KOYO  NJ2315 INA  TKMD15-C MRC  6307N FAG  VRE315-E SKF  TVN309A NTN  NU2310

版权所有©2009-2015 轴承狗zcgou.com ICP备案:津ICP备14004550号-13