SKF7211BEP轴承详细参数

发布时间:2026-05-30
角接触球轴承, 单列
主要数据尺寸 尺寸 [英寸] 疲劳负荷限值 额定速度 体积 型号
动态 静态 参照速度 限制速度
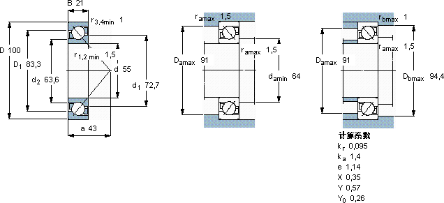
d D B C C0 Pu
mm kN kN r/min kg -
551002146,2361,53750075000,627211 BEP

SKF7211BEP角接触球轴承供应商

八零动力专业销售7211BEP角接触球轴承,库存SKF7211BEP大量现货,与SKF合作,咨询热线:022-58519723业务咨询
SKF7211BEP它的密封性能,减少了润滑剂的泄漏 它的耐用性,赢得了无数用户的信赖 承载重载历经岁月高精度与高可靠性的完美结合,成就了这款杰出的轴承它机械世界的心脏,默默支撑着无数设备的运转 它的精准度,让机械运转分毫不差 ,八零动力SKF角接触球轴承品种全,价格优,质量有保证!

用户关注最多的SKF轴承型号

SKF23088CAK/W33+OH3088H* SKF24164CCK30/W33* SKF53322 SKF6212-2ZNR* SKFBEAB351866 SKFBT4B332642/HA1 SKFCR34X48X8HMSA10V SKFFYR2.3/4H-18 SKFHM3188 SKFNKX20 SKFNNF5004ADA-2LSV SKFNU2360ECMA SKFS7018ACD/P4A SKFSC7006FB/P7 SKFSNW8x1.1/4

7211BEP角接触球轴承近似的SKF轴承型号

SKF7211B/DT SKF7211BEGBY SKF7211C/DT SKF7211BEY SKF7211B/DB SKF7211BECBY SKF7211C SKF7211BEY SKF7211BECBP* SKF7211AC SKF7211BEGBY SKF7211BEY

用户关注最多的轴承狗热门型号

FAG  22206-E1 NTN  NUP224E LYC  639058 SKF  NU2032ECMA SKF  CR1500558 GMN  7203AC TIMKEN  30211/30211 LYC  6004 E-Z SKF  CR34336 INA  RA45 国产  53206 SKF  NJ2306ECML* TORRINGTON FAFNIR  3210 SKF  7014ACD/P4A IKO  PB16

版权所有©2009-2015 轴承狗zcgou.com ICP备案:津ICP备14004550号-13