SKF7211BECBJ轴承详细参数

发布时间:2026-04-14
角接触球轴承, 单列
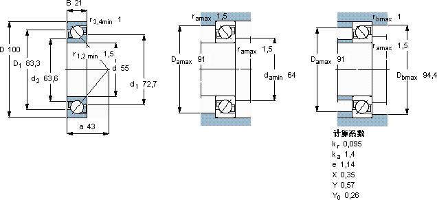
主要数据尺寸 尺寸 [英寸] 疲劳负荷限值 额定速度 体积 型号
动态 静态 参照速度 限制速度
d D B C C0 Pu
mm kN kN r/min kg -
551002148,8381,63750075000,627211 BECBJ

SKF7211BECBJ角接触球轴承供应商

八零动力专业销售7211BECBJ角接触球轴承,库存SKF7211BECBJ大量现货,与SKF合作,咨询热线:022-58519723业务咨询
SKF7211BECBJ是您值得信赖的工业伙伴,为您的机械保驾护航为您的机械提供持久动力,它的品质卓越,是提升机械设备整体性能的关键所在其设计和制造都达到了极高的水准,是一款不可多得的轴承设计合理、性能优良的轴承,是机械设备的理想之选它的耐磨性能,让它在恶劣环境下依然稳定运行 ,八零动力SKF角接触球轴承品种全,价格优,质量有保证!

用户关注最多的SKF轴承型号

SKF314833B SKF6222-2Z* SKFBT4B328524/HA1 SKFCR18X40X7HMSA10V SKFCR25074 SKFCR25X47X10HMSA10V SKFCR30X45X7HMS5RG SKFCR62X75X10CRS1R SKFGEP480FS SKFK35x40x13 SKFN1009KPHA/HC5SP SKFPWM9511060 SKFSIL70ES-2RS SKFVJ-PDPF2220 SKFW628/4-2Z

7211BECBJ角接触球轴承近似的SKF轴承型号

SKF2x7211BEGBY SKF7211BEGAP* SKF7211BEY SKF7211C/DB SKF7211B/DT SKF7211AC/DF SKF7211BECBM* SKF7211BECBJ SKF7211BEY SKF7211BECBM SKF7211CD/P4A SKF7211BECBM*

用户关注最多的轴承狗热门型号

INA  RWS1808-350/x350/x38 TORRINGTON  23276CAC/W33 SKF  NJ238E KOYO  665/653 STEYR  7303B/DB SKF  VJ-PDRJ316 SKF  AHX3122/100 NSK  6900DD NSK  725C 国产  NAV4016 MRC  6205 RHP  7319B/DB NACHI  E32209J LYC  6304 E/P53Z2 LYC  FD-1788/2617

版权所有©2009-2015 轴承狗zcgou.com ICP备案:津ICP备14004550号-13