SKF7211BECBP*轴承详细参数

发布时间:2026-05-30
角接触球轴承, 单列
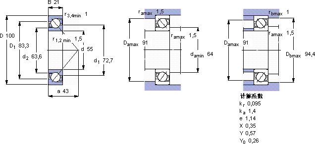
主要数据尺寸 尺寸 [英寸] 疲劳负荷限值 额定速度 体积 型号
动态 静态 参照速度 限制速度
d D B C C0 Pu * - SKF Explorer 轴承
mm kN kN r/min kg -
551002149401,66800080000,627211 BECBP *

SKF7211BECBP*角接触球轴承供应商

八零动力专业销售7211BECBP*角接触球轴承,库存SKF7211BECBP*大量现货,与SKF合作,咨询热线:022-58519723业务咨询
SKF7211BECBP*先进的制造工艺,让这款轴承的性能更加稳定可靠它的密封性能,完美抵御灰尘和杂质的侵袭 这轴承的稳定性极佳,在高速运转时也能保持良好状态卓越的性能和可靠的质量,让这款轴承成为市场的宠儿它的耐腐蚀性,让它经久不衰 质量无可挑剔的轴承,在行业内树立了良好的口碑和形象,八零动力SKF角接触球轴承品种全,价格优,质量有保证!

用户关注最多的SKF轴承型号

SKF22316E* SKF24015-2CS2/VT143* SKF24036CCK30/W33 SKF32230T168J2/DB SKF7012CD/HCP4A SKF71915DB/P7 SKF7200CD/HCP4A SKFCR20X32X7HMS5RG SKFIR22x26x20 SKFM110x2 SKFNNCF5014CV SKFQJ210MA* SKFSAF23024KAx4.1/16 SKFSILA40ES-2RS SKFSYR2.7/16NH-118

7211BECBP*角接触球轴承近似的SKF轴承型号

SKF7211B SKF2x7211BEGAP* SKF7211BECBJ SKF7211BEGAP* SKF7211AC/DB SKF2x7211BECBP* SKF7211B/DT SKF2x7211BECBM* SKF2x7211BEGBY SKF7211BECBM SKF7211BECBM* SKF7211BECBY

用户关注最多的轴承狗热门型号

NSK  95BNR29XV1V FAG  SD564-N-FZ-AL-L + 222SM300-MA NSK  240/850CAK30E4 FAG  VRE305-E 国产  3307A-RSTN1 SKF  7222BECBY KOYO  30319 SKF  SAFC2534 SKF  HMV76E SKF  SYNT55F NACHI  NNU4960 LYC  230/630/W33 NTN  6322-2Z INA  RNA6912-ZW IKO  CRWM4-120

版权所有©2009-2015 轴承狗zcgou.com ICP备案:津ICP备14004550号-13