SKF7209BECBP*轴承详细参数

发布时间:2026-04-14
角接触球轴承, 单列
主要数据尺寸 尺寸 [英寸] 疲劳负荷限值 额定速度 体积 型号
动态 静态 参照速度 限制速度
d D B C C0 Pu * - SKF Explorer 轴承
mm kN kN r/min kg -
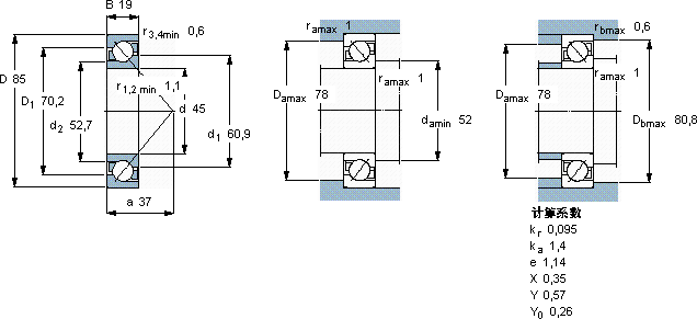
4585193828,51,2210000100000,427209 BECBP *

SKF7209BECBP*角接触球轴承供应商

八零动力专业销售7209BECBP*角接触球轴承,库存SKF7209BECBP*大量现货,与SKF合作,咨询热线:022-58519723业务咨询
SKF7209BECBP*有效增强了机械设备的竞争力它的表面硬化处理,延长了它的使用寿命 轴承的耐用性极佳,为设备的长期稳定运行提供了保障它的密封性能,完美抵御灰尘和杂质的侵袭 先进的制造技术和严格的质量检测,造就了这款优质轴承设计合理、性能优良的它,是机械设备稳定运行的重要保障,八零动力SKF角接触球轴承品种全,价格优,质量有保证!

用户关注最多的SKF轴承型号

SKF22312CCK/W33 SKF6212-2Z/VA201 SKF7308BEY SKFBT2-8019 SKFBT4B328888G/HA1VA901 SKFCR22X38X8HMSA10V SKFCR98444 SKFFYTJ30KF SKFHN1010 SKFNX20Z SKFOKC130 SKFS7014CD/HCP4A SKFSYE2.3/4-18 SKFW6004 SKFYAR212-204-2F

7209BECBP*角接触球轴承近似的SKF轴承型号

SKF7209BECBM SKF2x7209BECBM* SKF7209C/DB SKF7209BECBY SKF7209BEY SKF2x7209BECBP* SKF7209BEGAY SKF7209BEGAP* SKF7209BEP SKF7209BEP SKF7209BECBM* SKF7209BECBY

用户关注最多的轴承狗热门型号

FAG  SNV140-L + 222S.211 + TCV516X211 LYC  6210 E-2RS MRC  6222-Z TIMKEN  300RF30 RHP  7302B/DF SKF  GEZM100ES LYC  22352 K/C2 KOYO  R18/16-8 国产  7026ACM FAG  SNV180-L + 2220-K-M-C3 + H320X308 + DH520 LYC  5617/1600X3 NSK  6809ZZ NTN  23936 FAG  SNV215-L + 1320-K-M-C3 + H320 + FSV620 SKF  2x7213BECBY

版权所有©2009-2015 轴承狗zcgou.com ICP备案:津ICP备14004550号-13