SKF7209BECBY轴承详细参数

发布时间:2026-04-14
角接触球轴承, 单列
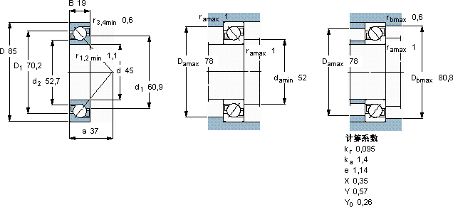
主要数据尺寸 尺寸 [英寸] 疲劳负荷限值 额定速度 体积 型号
动态 静态 参照速度 限制速度
d D B C C0 Pu
mm kN kN r/min kg -
45851937,7281,2900090000,437209 BECBY

SKF7209BECBY角接触球轴承供应商

八零动力专业销售7209BECBY角接触球轴承,库存SKF7209BECBY大量现货,与SKF合作,咨询热线:022-58519723业务咨询
SKF7209BECBY它的轻量化设计,减少了材料的使用 先进的制造技术,让这款轴承的质量达到了行业领先水平制造工艺先进,使得这款轴承的性能远超普通产品它的质量卓越,为机械设备的安全运行保驾护航优秀的设计理念和精湛的制造工艺,成就了这款优秀的轴承它的品质卓越,为机械设备的高效、稳定运行保驾护航,八零动力SKF角接触球轴承品种全,价格优,质量有保证!

用户关注最多的SKF轴承型号

SKF24028-2CS5/VT143* SKF61964MA SKF71980AM SKF7209CD/P4A SKFCR34869 SKFCR52489 SKFCR402000 SKFCR407250 SKFCR596098 SKFCR90x120x12CRW1R SKFKD21-454 SKFNA4902.2RS SKFNUP2218E SKFSY2.7/16TF/VA228 SKFUCFU203

7209BECBY角接触球轴承近似的SKF轴承型号

SKF7209BEGAY SKF7209C SKF7209B/DT SKF7209C/DT SKF7209BECBM* SKF7209B SKF7209C/DF SKF7209AC/DB SKF7209C/DB SKF2x7209BEGAY SKF7209BECBP* SKF7209BEGAP*

用户关注最多的轴承狗热门型号

NSK  NN3013TKR SKF  7009ACD/P4A SKF  22217CCK/W33+H317 KOYO  23052CACK/W33 SKF  CR11566 TIMKEN  23156YMB NTN  6315-Z 国产  7010CETA 国产  N218 ZKL  N416 NSK  69/600M SKF  NJ208ECJ* LYC  688 2RS NSK  7310BEA IKO  CFES8UUR

版权所有©2009-2015 轴承狗zcgou.com ICP备案:津ICP备14004550号-13