SKF7209BEP轴承详细参数

发布时间:2026-04-14
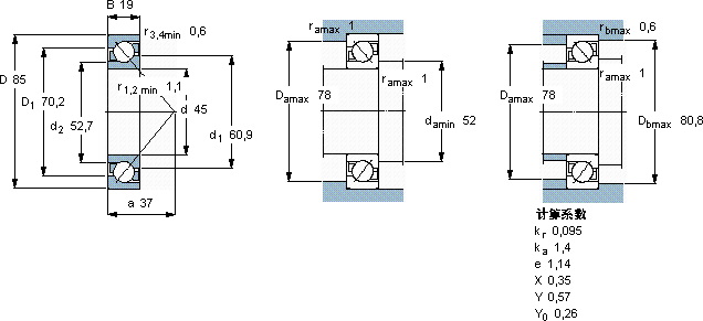
角接触球轴承, 单列
主要数据尺寸 尺寸 [英寸] 疲劳负荷限值 额定速度 体积 型号
动态 静态 参照速度 限制速度
d D B C C0 Pu
mm kN kN r/min kg -
45851935,8261,12900090000,427209 BEP

SKF7209BEP角接触球轴承供应商

八零动力专业销售7209BEP角接触球轴承,库存SKF7209BEP大量现货,与SKF合作,咨询热线:022-58519723业务咨询
SKF7209BEP它的滚动体分布均匀,运转平稳无振动 性能优越的轴承,极大地提升了设备的工作性能和效率这轴承的精度控制令人佩服,为设备的精准运行提供了保障轴承的精度极高,使得设备的运行误差被控制在极小范围内它的沟槽设计,完美匹配滚动体的运动轨迹 它的加工精度,确保了机械运转的稳定性 ,八零动力SKF角接触球轴承品种全,价格优,质量有保证!

用户关注最多的SKF轴承型号

SKF22234CC/W33 SKF24030CCK30/W33* SKF30317J2 SKF32044T165X/DB42C220 SKF7224AC/DB SKFBT4B332889/HA1 SKFC2219* SKFC71919DB/P7 SKFCR11191 SKFCR1400234 SKFCR48x65x8CRW1V SKFHK0810RS SKFNJ326ECJ* SKFPCM758060M SKFSYE1.11/16H

7209BEP角接触球轴承近似的SKF轴承型号

SKF2x7209BECBP* SKF7209BEP SKF7209B/DT SKF7209BEY SKF7209BECBM* SKF7209BECBY SKF7209BEGAY SKF2x7209BECBJ SKF2x7209BEGAP* SKF7209BECBY SKF7209BEGBY SKF7209BEY

用户关注最多的轴承狗热门型号

国产  1412M KOYO  463/630A BARDEN  7201C/DF SKF  NK85/35 KOYO  NU3319 国产  K60*66*33ZW INA  ZKLF1560-2Z SKF  7310BECBP KOYO  24044CC/W33 SKF  OKF460 SKF  OKCX800 INA  KUVE25-B-SN SKF  PF13/16TF LYC  NN 4964 K/P5YA1 NSK  NUP2222M

版权所有©2009-2015 轴承狗zcgou.com ICP备案:津ICP备14004550号-13