SKF7209BEGAP*轴承详细参数

发布时间:2026-04-14
角接触球轴承, 单列
主要数据尺寸 尺寸 [英寸] 疲劳负荷限值 额定速度 体积 型号
动态 静态 参照速度 限制速度
d D B C C0 Pu * - SKF Explorer 轴承
mm kN kN r/min kg -
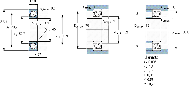
4585193828,51,2210000100000,427209 BEGAP *

SKF7209BEGAP*角接触球轴承供应商

八零动力专业销售7209BEGAP*角接触球轴承,库存SKF7209BEGAP*大量现货,与SKF合作,咨询热线:022-58519723业务咨询
SKF7209BEGAP*轴承的耐用性极佳,能够承受高强度的工作负荷开启顺畅运行新时代,质量上乘的轴承,为设备的高效稳定运行奠定了基础每一次转动都是精准与力量的完美呈现,引领转动新潮流,这款轴承的稳定性极佳,在长时间运行中也能保持良好状态,八零动力SKF角接触球轴承品种全,价格优,质量有保证!

用户关注最多的SKF轴承型号

SKF141 SKF39581/39520/Q SKF7015CD/P4A SKF7204BEP SKFC7008FB/P7 SKFCR22382 SKFCR21x40x8CRW1R SKFCR40X50X4HM4R SKFCRM22A SKFEE157337/157430 SKFN1014KTNHA/HC5SP SKFNU2208ECJ* SKFNUP203E SKFOKCX620 SKFSY2.7/16TF/VA201

7209BEGAP*角接触球轴承近似的SKF轴承型号

SKF7209BECBY SKF2x7209BECBY SKF7209BEGAP* SKF7209BEGAY SKF7209BEY SKF7209AC/DT SKF7209B/DB SKF2x7209BECBJ SKF7209BEP SKF7209BEGBY SKF7209BECBY SKF7209BEGAY

用户关注最多的轴承狗热门型号

NTN  2213 NTN  NU332E LYC  LY-2010 GMN  7008C NSK  6206T1XZZ FAG  6308-2RSR SKF  315802/VJ202 TIMKEN  HH224346DD/HH224310 LYC  63/28 E/P6Z1 INA  CSXB030 NSK  RLM6040 SKF  NUP324ECML* LYC  51316 M/P5 FAG  SNV240-L + 21322-E1-K-TVPB + H322X315 + DH522 IKO  LBE25UUAJ

版权所有©2009-2015 轴承狗zcgou.com ICP备案:津ICP备14004550号-13