SKF7209BECBM*轴承详细参数

发布时间:2026-04-14
角接触球轴承, 单列
主要数据尺寸 尺寸 [英寸] 疲劳负荷限值 额定速度 体积 型号
动态 静态 参照速度 限制速度
d D B C C0 Pu * - SKF Explorer 轴承
mm kN kN r/min kg -
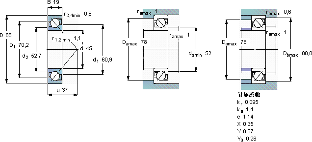
4585193828,51,2210000100000,447209 BECBM *

SKF7209BECBM*角接触球轴承供应商

八零动力专业销售7209BECBM*角接触球轴承,库存SKF7209BECBM*大量现货,与SKF合作,咨询热线:022-58519723业务咨询
SKF7209BECBM*它的故障率极低,确保了设备的稳定运行 它的微观表面处理,减少了摩擦和磨损 它的抗震性能,确保了它在振动环境下的可靠性 高品质的轴承,在各种复杂工况下都能展现出卓越的性能表现它的几何精度,让机械运转分毫不差 卓越的性能和可靠的质量,让这款轴承成为市场的宠儿,八零动力SKF角接触球轴承品种全,价格优,质量有保证!

用户关注最多的SKF轴承型号

SKF22324-2CS5/VT143* SKF32008XTN9/Q SKF3207A-RS SKF6002-RSL* SKF71920C SKF81252M SKFCR26123 SKFCR275x310x16HDS1R SKFCR48X72X10HMSA10V SKFCR52445 SKFCR9065 SKFGEG20ES SKFK80x86x20 SKFOKBS124 SKFYAR211-2FW/VA228

7209BECBM*角接触球轴承近似的SKF轴承型号

SKF2x7209BEGAP* SKF2x7209BEGAY SKF7209BEGAP* SKF7209BECBJ SKF7209B SKF2x7209BEGBY SKF7209BEGBY SKF7209AC/DB SKF7209AC SKF7209BECBY SKF7209BECBJ SKF7209BECBP*

用户关注最多的轴承狗热门型号

TIMKEN  EE234154/234215 FAG  SNV270-L + 23230-E1-TVPB + DHV230 GMN  7301B/DB SNFA  7038C KOYO  32212 LYC  NJP 3226 X1SCTN NSK  HR32910J TIMKEN  34275 /34481-B SKF  M40x1.5 KINGON  F604ZZ 国产  6012-RS LYC  6302 E-2RZ/Z1 FAG  SNV215-L + 22224-E1-K + H3124 + TSV524 LYC  22326 CK/W33+H2326 IKO  CF24R

版权所有©2009-2015 轴承狗zcgou.com ICP备案:津ICP备14004550号-13