SKF7207BECBP*轴承详细参数

发布时间:2026-04-14
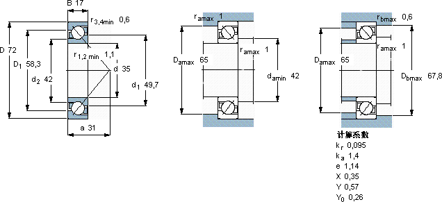
角接触球轴承, 单列
主要数据尺寸 尺寸 [英寸] 疲劳负荷限值 额定速度 体积 型号
动态 静态 参照速度 限制速度
d D B C C0 Pu * - SKF Explorer 轴承
mm kN kN r/min kg -
3572173120,80,8812000120000,287207 BECBP *

SKF7207BECBP*角接触球轴承供应商

八零动力专业销售7207BECBP*角接触球轴承,库存SKF7207BECBP*大量现货,与SKF合作,咨询热线:022-58519723业务咨询
SKF7207BECBP*它的低摩擦设计,减少了能量损耗 为您的机械提供持久动力,制造工艺精湛,使得这款轴承的精度和稳定性都非常出色它在机床设备中的应用,确保了加工精度 轴承的性能可靠,为机械设备的稳定运行立下汗马功劳它的抗冲击能力,让它经久不衰 ,八零动力SKF角接触球轴承品种全,价格优,质量有保证!

用户关注最多的SKF轴承型号

SKF3204A-2Z/MT33* SKF3303A-RS SKF330608C SKF330661E/C475* SKF7201C SKF7410BCBM SKFBT4-8017/HA1VA941 SKFC71906FB/P7 SKFCR99365 SKFKMFE18L SKFKMFE26L SKFLM742747/710 SKFNN3044K/W33 SKFSAKAC5M SKFWS81224

7207BECBP*角接触球轴承近似的SKF轴承型号

SKF7207B/DT SKF2x7207BEGAP* SKF7207B/DB SKF7207AC/DB SKF7207BECBM SKF7207C/DF SKF7207B SKF7207BEP SKF7207AC/DF SKF7207BECBP* SKF7207BECBM* SKF7207BECBY

用户关注最多的轴承狗热门型号

LYC  NU 315 M/C2 FAG  KUG50,8 KOYO  7338B/DT INA  KLRZ12X41X16-2RSR TORRINGTON  23130CC/W33 FAG  6072-M GMN  7212AC/DF SKF  YEL205-015-2FCW LYC  HDZ65L-20-02 NSK  24080CAE4 SKF  CR524367 KOYO  23948RK+H3948 SKF  23232CCK/W33+AH3232G* FAG  SNV090-L + 1308-K-TVH-C3 + H308X105 + FSV608X105 IKO  CRW24-1000

版权所有©2009-2015 轴承狗zcgou.com ICP备案:津ICP备14004550号-13