SKF7207BECBM*轴承详细参数

发布时间:2026-05-30
角接触球轴承, 单列
主要数据尺寸 尺寸 [英寸] 疲劳负荷限值 额定速度 体积 型号
动态 静态 参照速度 限制速度
d D B C C0 Pu * - SKF Explorer 轴承
mm kN kN r/min kg -
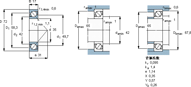
3572173120,80,8812000120000,307207 BECBM *

SKF7207BECBM*角接触球轴承供应商

八零动力专业销售7207BECBM*角接触球轴承,库存SKF7207BECBM*大量现货,与SKF合作,咨询热线:022-58519723业务咨询
SKF7207BECBM*性能优越的轴承,极大地提高了设备的工作效率和稳定性它的轻量化设计,减少了材料的使用 承载重载历经岁月这款轴承的性能卓越,有效提高了设备的运行可靠性它的精密测量技术,确保了每一件产品的品质 该轴承的性能出色,有效提升了机械设备的整体性能,八零动力SKF角接触球轴承品种全,价格优,质量有保证!

用户关注最多的SKF轴承型号

SKF3219A SKF71902CD/P4A SKFCR30x60x8CRW1R SKFCR30X47X10HMS5RG SKFCR99248 SKFCRM20A SKFNCF3016CV SKFNU29/1320ECFR SKFNU12/560MA SKFNU203ECP SKFRN-2x6.3BF/G2 SKFS7007ACD/P4A SKFSNL206-305 SKFSYH15/16FM SKFT7FC055/QCL7C

7207BECBM*角接触球轴承近似的SKF轴承型号

SKF7207BEGAP* SKF7207BECBP* SKF7207B/DT SKF2x7207BEGBY SKF2x7207BECBY SKF7207C SKF7207BEY SKF7207AC/DF SKF7207C/DF SKF7207BECBY SKF7207CD/P4A SKF7207BECBP*

用户关注最多的轴承狗热门型号

SKF  YEL207-2RF/W64 LYC  6204 E-Z/P6Z1 NTN  LH-22216BK+H316X KOYO  30307 NTN  7018C/DB SKF  6324 SKF  PCM323630B SNR  7200AC/DF LYC  110.40.2240.12 SKF  32210J2/Q TIMKEN  747-S/742D+X1S-747-S LYC  6015/C4 STEYR  7215B/DB INA  NRB4X15,8-G2 IKO  TLAM2016

版权所有©2009-2015 轴承狗zcgou.com ICP备案:津ICP备14004550号-13