SKF7207BEGBY轴承详细参数

发布时间:2026-05-30
角接触球轴承, 单列
主要数据尺寸 尺寸 [英寸] 疲劳负荷限值 额定速度 体积 型号
动态 静态 参照速度 限制速度
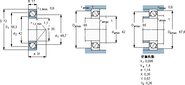
d D B C C0 Pu
mm kN kN r/min kg -
35721730,720,80,8811000110000,307207 BEGBY

SKF7207BEGBY角接触球轴承供应商

八零动力专业销售7207BEGBY角接触球轴承,库存SKF7207BEGBY大量现货,与SKF合作,咨询热线:022-58519723业务咨询
SKF7207BEGBY它的沟槽设计,完美匹配滚动体的运动轨迹 该轴承的性能卓越,完全满足了各种严苛工况的需求高精度与高可靠性的完美结合,成就了这款杰出的轴承稳定持久精准运转它的精密装配,确保了整体性能的卓越 ,八零动力SKF角接触球轴承品种全,价格优,质量有保证!

用户关注最多的SKF轴承型号

SKF239/800CAK/W33* SKF7006FB/P7 SKF71808ACD/HCP4 SKFCR100X150X12HMSA10V SKFCR90163 SKFFSNL320TURU SKFHS207 SKFMS31/1000 SKFNA4900 SKFNU228ECM SKFNUP2217ECP SKFP62R-25TR SKFPF7/8FM SKFQJ212N2MA* SKFS7012CD/HCP4A

7207BEGBY角接触球轴承近似的SKF轴承型号

SKF7207BEGAP* SKF7207C SKF7207B/DT SKF7207AC/DB SKF7207BEP SKF7207AC/DT SKF2x7207BEGBY SKF7207B SKF2x7207BEGAP* SKF2x7207BECBY SKF7207BEGBP* SKF7207BEP

用户关注最多的轴承狗热门型号

LYC  29420 LYC  23156/W33 KOYO  RS222811 LYC  6310 E/C3Z2 KOYO  1216K INA  LTS16-Tr12x3 SKF  PCM150155100M NSK  40BNR20SV1V NTN  7907DB NACHI  NN3032K MRC  7322AC TIMKEN  L217849/L217810DC+L217849XA TIMKEN  190RF51 FAG  SNV130-L + 2215-K-TVH-C3 + H315X208 + TCV515X208 FYH  UKFU324+H2324

版权所有©2009-2015 轴承狗zcgou.com ICP备案:津ICP备14004550号-13