SKF7207BECBY轴承详细参数

发布时间:2026-05-31
角接触球轴承, 单列
主要数据尺寸 尺寸 [英寸] 疲劳负荷限值 额定速度 体积 型号
动态 静态 参照速度 限制速度
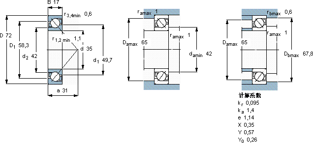
d D B C C0 Pu
mm kN kN r/min kg -
35721730,720,80,8811000110000,307207 BECBY

SKF7207BECBY角接触球轴承供应商

八零动力专业销售7207BECBY角接触球轴承,库存SKF7207BECBY大量现货,与SKF合作,咨询热线:022-58519723业务咨询
SKF7207BECBY它的质量过硬,为机械设备的高效、安全、稳定运行 品质永相随它的可回收性,体现了环保理念 它的精密性,让它在高精度设备中无可替代 它的制造工艺,堪称工业艺术的典范 高品质的轴承,在各种复杂工况下都能展现出卓越的性能表现,八零动力SKF角接触球轴承品种全,价格优,质量有保证!

用户关注最多的SKF轴承型号

SKF32044X SKF32938 SKF7017CD/HCP4A SKF71915CE/P4A SKF71926C/DB SKF7314B/DT SKFAXK5070 SKFFYTL25TR/VE495 SKFFYTM1.3/4TF/AH SKFNCF28/900V SKFNU31/500ECMA/HB1 SKFNUP326ECP* SKFPCM323640E SKFRNAO55x68x20 SKFSDAFS22528x4.13/16

7207BECBY角接触球轴承近似的SKF轴承型号

SKF7207BECBP SKF7207BEGBY SKF7207B/DF SKF2x7207BEGAY SKF7207AC/DF SKF7207C SKF7207AC SKF7207AC/DT SKF7207BECBY SKF7207BECBM SKF7207BECBP* SKF7207BEGAM*

用户关注最多的轴承狗热门型号

NACHI  54418 SKF  6200-Z INA  CSCC042 FAG  SNV062-L + 22206-E1-K + H306 + FSV506 NACHI  6014NSE SKF  CR32477 KOYO  30328 TORRINGTON FAFNIR  6309-Z NTN  UKK208+H2308 NACHI  NUP206 GMN  7008AC/DT NSK  1301 LYC  NU 212 M/C4 NTN  NU2328 IKO  TAF384830

版权所有©2009-2015 轴承狗zcgou.com ICP备案:津ICP备14004550号-13