SKF7207BEP轴承详细参数

发布时间:2026-04-14
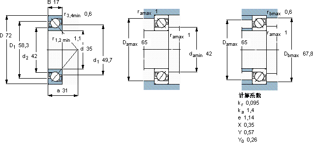
角接触球轴承, 单列
主要数据尺寸 尺寸 [英寸] 疲劳负荷限值 额定速度 体积 型号
动态 静态 参照速度 限制速度
d D B C C0 Pu
mm kN kN r/min kg -
35721729,1190,81511000110000,287207 BEP

SKF7207BEP角接触球轴承供应商

八零动力专业销售7207BEP角接触球轴承,库存SKF7207BEP大量现货,与SKF合作,咨询热线:022-58519723业务咨询
SKF7207BEP轴承的选材优质,确保了其在各种环境下都能稳定工作优秀的设计让这款轴承在运行时更加高效节能该轴承的性能优越,极大地提高了设备的工作效率设计合理、性能优良的它,是机械设备稳定运行的重要保障机械的心脏是机械世界的璀璨明星,,八零动力SKF角接触球轴承品种全,价格优,质量有保证!

用户关注最多的SKF轴承型号

SKF331657 SKF617335 SKF61812-RZ SKF71920DB/P7 SKFCR135X170X12HMSA10RG SKFCR17X30X7HMSA10RG SKFCR63x78x8CRW1R SKFCR80X105X10HMS5V SKFNJ2318ECP SKFS71914CD/HCP4A SKFSNW3038x6.13/16 SKFSYE3.1/2NH SKFSYH2.7/16RM SKFW10 SKFWS81256

7207BEP角接触球轴承近似的SKF轴承型号

SKF7207AC SKF7207B/DF SKF7207C/DB SKF2x7207BEGAY SKF7207BEY SKF7207C SKF2x7207BEGAP* SKF7207BEGBY SKF7207AC/DF SKF2x7207BECBM* SKF7207BEGBY SKF7207BEY

用户关注最多的轴承狗热门型号

KOYO  6006-2RZ MRC  6313-2ZN SKF  2308ETN9 国产  3208ATN1 NACHI  5215N 国产  K31*41*22 KOYO  NU2316E SKF  OKCX340 国产  61901-2Z LYC  NN 3080K/W33C9 NSK  23022CDKE4 KOYO  23976RK+H3976 SKF  CR54x73x11.13CRW1R SKF  PCM182025B MRC  7240C

版权所有©2009-2015 轴承狗zcgou.com ICP备案:津ICP备14004550号-13