SKF7207BEY轴承详细参数

发布时间:2026-04-15
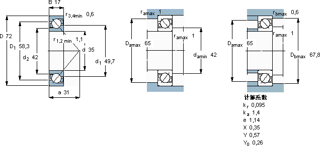
角接触球轴承, 单列
主要数据尺寸 尺寸 [英寸] 疲劳负荷限值 额定速度 体积 型号
动态 静态 参照速度 限制速度
d D B C C0 Pu
mm kN kN r/min kg -
35721730,720,80,8811000110000,307207 BEY

SKF7207BEY角接触球轴承供应商

八零动力专业销售7207BEY角接触球轴承,库存SKF7207BEY大量现货,与SKF合作,咨询热线:022-58519723业务咨询
SKF7207BEY它在家用电器中的应用,让生活更加便捷 它在船舶工业中的应用,展现了它的耐腐蚀性 它的耐用性,让人惊叹不已 精湛的制造工艺赋予了这款轴承卓越的性能和品质 高精度的制造工艺,造就了这款高品质的轴承这轴承的稳定性极佳,即使在恶劣环境下也能正常工作,八零动力SKF角接触球轴承品种全,价格优,质量有保证!

用户关注最多的SKF轴承型号

SKF11163/11300/Q SKF2222K+H322 SKF30217T71J2/QDB SKF32207J2/Q SKF53309U SKF6007NR* SKFCR10178 SKFCR16049 SKFE2.6310-2Z/C3 SKFH311E SKFHA3126E SKFLR12x15x22.5 SKFNNU41/1500M/W33 SKFPFT20WF SKFT2DD065/Q

7207BEY角接触球轴承近似的SKF轴承型号

SKF7207B/DT SKF7207C/DT SKF7207AC/DF SKF7207C/DF SKF7207C/DB SKF2x7207BEGAM* SKF2x7207BECBY SKF7207BEY SKF7207AC/DB SKF2x7207BEGBP* SKF7207BEP SKF7208AC

用户关注最多的轴承狗热门型号

FAG  N1013-K-M1-SP TIMKEN  100RIU433 SKF  GE90CS-2Z FAG  BND2256-Z-T-BF-S FAG  SNV160-L + 22218-E1-K + H318 + DHV518 SKF  NNC4868CV MRC  71913C/DB SKF  CR19607 SKF  NUP228ECM RHP  7301B/DB NTN  22219CC/W33 SKF  FYC40FM STEYR  6219-Z IKO  TAF374720 IKO  CRH24VUUR

版权所有©2009-2015 轴承狗zcgou.com ICP备案:津ICP备14004550号-13