SKF7203BEGAP*轴承详细参数

发布时间:2026-04-14
角接触球轴承, 单列
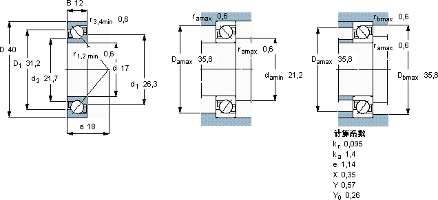
主要数据尺寸 尺寸 [英寸] 疲劳负荷限值 额定速度 体积 型号
动态 静态 参照速度 限制速度
d D B C C0 Pu * - SKF Explorer 轴承
mm kN kN r/min kg -
174012115,850,2522000220000,0647203 BEGAP *

SKF7203BEGAP*角接触球轴承供应商

八零动力专业销售7203BEGAP*角接触球轴承,库存SKF7203BEGAP*大量现货,与SKF合作,咨询热线:022-58519723业务咨询
SKF7203BEGAP*它的可靠性,赢得了无数用户的信赖 它的承载能力,堪称机械界的“大力士” 它的精密测量技术,确保了每一件产品的品质 制造工艺精湛,使得这款轴承的精度、稳定性和耐用性都非常出色这款轴承的运转十分平稳,几乎感受不到任何震动精准承载,八零动力SKF角接触球轴承品种全,价格优,质量有保证!

用户关注最多的SKF轴承型号

SKF6068 SKF812/560 SKFCR18565 SKFCR27362 SKFCR80x125x10CRW1V SKFFSYE2.11/16-3 SKFK55x63x32 SKFLM245848/810 SKFNJ209ECML* SKFNNCF4938CV SKFNU2320E SKFOKBS96 SKFSIKAC22M SKFSNL3148 SKFTU1.7/16WF

7203BEGAP*角接触球轴承近似的SKF轴承型号

SKF7203BEY SKF7203AC/DT SKF7203BEY SKF7203AC SKF7203AC/DB SKF2x7203BEGAP* SKF7203B SKF7203BEGAP* SKF7203C/DB SKF7203BECBM* SKF7203BECBP* SKF7203BEP

用户关注最多的轴承狗热门型号

INA  RMWE7-RB/95x../30 TIMKEN  18204X/18337-B FAG  SNV120-L + 2311-K-TVH-C3 + H2311X114 + TSV611X114 NACHI  7332DF LYC  NJ 2220 X2M LYC  254941HKU NTN  NUP234 FAG  22332-K-MB SKF  CR34848 NTN  N214 FYH  UKFU213+H2313 SKF  NKI70/25 FAG  BND3068-H-C-Y-BL-S FAG  SNV130-L + 20312-K-TVP-C3 + H312 + TSV612 LYC  32213/01

版权所有©2009-2015 轴承狗zcgou.com ICP备案:津ICP备14004550号-13