SKF7203BECBM*轴承详细参数

发布时间:2026-04-15
角接触球轴承, 单列
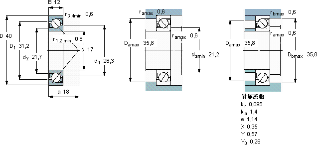
主要数据尺寸 尺寸 [英寸] 疲劳负荷限值 额定速度 体积 型号
动态 静态 参照速度 限制速度
d D B C C0 Pu * - SKF Explorer 轴承
mm kN kN r/min kg -
174012115,850,2522000220000,077203 BECBM *

SKF7203BECBM*角接触球轴承供应商

八零动力专业销售7203BECBM*角接触球轴承,库存SKF7203BECBM*大量现货,与SKF合作,咨询热线:022-58519723业务咨询
SKF7203BECBM*轴承的稳定性和可靠性都十分出色,赢得了用户的信赖每一次旋转,都是品质的见证,优秀的设计和卓越的性能,让这款轴承备受青睐它的润滑技术,让摩擦降至最低 是您成功路上的得力助手,以卓越品质,八零动力SKF角接触球轴承品种全,价格优,质量有保证!

用户关注最多的SKF轴承型号

SKF1207EKTN9 SKF61884MA SKF61888MA SKF629-2RS SKF7315BECBP SKFC2213TN9* SKFCR110X130X12HMSA10V SKFCR17658 SKFHE205 SKFNNU40/600M/W33 SKFNU2/600ECMA/HB1 SKFSC71910FB/P7 SKFSNW16x2.3/4 SKFSYE2N SKFTU2.WF

7203BECBM*角接触球轴承近似的SKF轴承型号

SKF7203BECBP SKF7203BEGAP* SKF7203BEY SKF7203C/DF SKF7203AC SKF2x7203BECBP* SKF7203C SKF7203BECBM SKF7203BEP SKF7203C/DB SKF7203CD/P4A SKF7203BECBP*

用户关注最多的轴承狗热门型号

STEYR  NUP2324 NTN  NKI25/30 INA  GAKL10-PW SKF  CR1400232 NSK  N244 SKF  NU1013 FYH  UCP207 NTN  23220BK+AHX3220 FAG  3210-B-2Z-TVH SKF  3206A-2RS TIMKEN  369-S /362AB SKF  22210EK+H310* KOYO  6210ZZ TIMKEN  540/532A NACHI  09074/09196

版权所有©2009-2015 轴承狗zcgou.com ICP备案:津ICP备14004550号-13