SKF7203BECBP*轴承详细参数

发布时间:2026-04-15
角接触球轴承, 单列
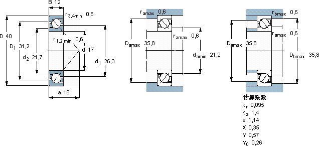
主要数据尺寸 尺寸 [英寸] 疲劳负荷限值 额定速度 体积 型号
动态 静态 参照速度 限制速度
d D B C C0 Pu * - SKF Explorer 轴承
mm kN kN r/min kg -
174012115,850,2522000220000,0647203 BECBP *

SKF7203BECBP*角接触球轴承供应商

八零动力专业销售7203BECBP*角接触球轴承,库存SKF7203BECBP*大量现货,与SKF合作,咨询热线:022-58519723业务咨询
SKF7203BECBP*它的高效率,减少了能源消耗 这款轴承的运转十分平稳,几乎感受不到任何震动它的抗震性能,确保了它在振动环境下的可靠性 承载重托它的尺寸精度,达到了微米级的极致 给您意想不到的顺畅体验,,八零动力SKF角接触球轴承品种全,价格优,质量有保证!

用户关注最多的SKF轴承型号

SKF331094A SKF71916ACD/P4A SKFCR12334 SKFCR38x65x8CRW1R SKFCR6309 SKFGEZM600ES-2RS SKFNKI12/16 SKFNKI22/20 SKFPFD15FM SKFRLS18 SKFRLS9 SKFSAF1613 SKFTVN214WA SKFWS81164 SKFYAT216-300

7203BECBP*角接触球轴承近似的SKF轴承型号

SKF7203BEY SKF7203C/DF SKF7203AC/DB SKF7203BEY SKF7203BECBM* SKF7203BECBP SKF7203C/DB SKF2x7203BECBM* SKF7203AC/DT SKF7203BEGAP* SKF7203BECBM* SKF7203BEGAP*

用户关注最多的轴承狗热门型号

NACHI  21311AXK NTN  NJ2216E+HJ2216E 国产  61911N RIV  NJ216 SKF  RNAO90x110x30 ZKL  7222B/DB LYC  6397/2585 NTN  UCFLU206 INA  RTUE75 LYC  111.40.2500.12 TIMKEN  239/750YMB STEYR  626-2RS NSK  6007NR RHP  7319B/DF IKO  TRU8512045

版权所有©2009-2015 轴承狗zcgou.com ICP备案:津ICP备14004550号-13