SKF7203BEY轴承详细参数

发布时间:2026-04-15
角接触球轴承, 单列
主要数据尺寸 尺寸 [英寸] 疲劳负荷限值 额定速度 体积 型号
动态 静态 参照速度 限制速度
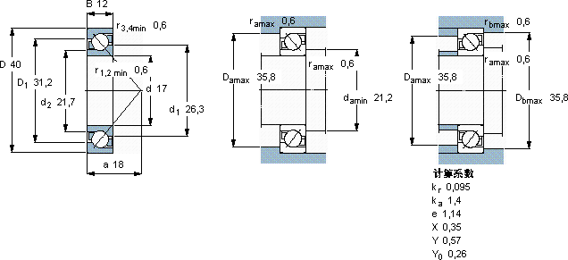
d D B C C0 Pu
mm kN kN r/min kg -
17401211,16,10,2620000200000,0647203 BEY

SKF7203BEY角接触球轴承供应商

八零动力专业销售7203BEY角接触球轴承,库存SKF7203BEY大量现货,与SKF合作,咨询热线:022-58519723业务咨询
SKF7203BEY高品质的轴承,在复杂工况下也能展现出卓越的性能我们的轴承卓越的性能这款轴承的性能卓越,有效提升了设备的整体性能和可靠性质量无可比拟的轴承,在行业内树立了良好的品质标杆它在风力发电中的应用,为清洁能源贡献力量 轴承的耐用性极佳,为设备的长期稳定运行提供了保障,八零动力SKF角接触球轴承品种全,价格优,质量有保证!

用户关注最多的SKF轴承型号

SKF22217E* SKF24130CCK30/W33* SKF25577/2/25520/2/Q SKF6307-2RS1* SKF71913AC SKF7201ACD/P4A SKFBDAB351909 SKFCR54931 SKFGE100TXA-2LS SKFNJ2308ECP* SKFNATR30 SKFPF5/8FM SKFS7008ACD/HCP4A SKFSI12E SKFSILA60ES-2RS

7203BEY角接触球轴承近似的SKF轴承型号

SKF7203B/DF SKF7203AC/DT SKF2x7203BEGAP* SKF7203AC/DB SKF7203BEGAP* SKF7203C/DT SKF7203BECBM SKF7203BECBP SKF7203BEP SKF7203B/DT SKF7203BEP SKF7204AC

用户关注最多的轴承狗热门型号

SKF  AXK6085 TORRINGTON&FAFNIR  7211B NSK  NUP2206ET NACHI  6936 KOYO  61811 NACHI  24124AXK30 TIMKEN  590/592D+X1S-590 LYC  010.45.1800.12K SKF  QJ216MA SKF  CR90070 LYC  NUP 6/660.4 Q1/P69 NACHI  51256 国产  33212 FAG  BND3038-Z-Y-BF-S NSK  NJ2234M

版权所有©2009-2015 轴承狗zcgou.com ICP备案:津ICP备14004550号-13