SKF7203BEP轴承详细参数

发布时间:2026-04-15
角接触球轴承, 单列
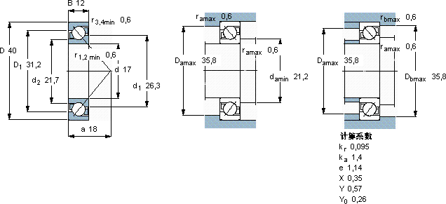
主要数据尺寸 尺寸 [英寸] 疲劳负荷限值 额定速度 体积 型号
动态 静态 参照速度 限制速度
d D B C C0 Pu
mm kN kN r/min kg -
17401210,45,50,23620000200000,0647203 BEP

SKF7203BEP角接触球轴承供应商

八零动力专业销售7203BEP角接触球轴承,库存SKF7203BEP大量现货,与SKF合作,咨询热线:022-58519723业务咨询
SKF7203BEP它在汽车工业中的应用,让车辆运行更加平稳 它的可靠性,赢得了无数工程师的信任 承载重托优秀的设计和卓越的性能,让这款轴承备受青睐它的表面硬化处理,延长了它的使用寿命 性能优越的轴承,极大地提高了设备的工作效率和稳定性,八零动力SKF角接触球轴承品种全,价格优,质量有保证!

用户关注最多的SKF轴承型号

SKF316624 SKF51217 SKF5210A-2RS1* SKF6205-RZ SKF81211TN SKFCR11908 SKFCR13543 SKFNKI80/25 SKFNNU4122K30M/W33 SKFPCM303420E SKFPCZ0810B SKFRLS7 SKFRNU1007ECP SKFSC71912DB/P7 SKFW634-2Z

7203BEP角接触球轴承近似的SKF轴承型号

SKF2x7203BECBP* SKF7203C/DB SKF7203B/DF SKF7203C SKF7203B SKF7203C/DF SKF7203BEY SKF2x7203BECBM* SKF7203BEP SKF7203AC SKF7203BEGAP* SKF7203BEY

用户关注最多的轴承狗热门型号

NTN  24128CCK30/W33 FAG  NNU4936-S-K-M-SP 国产  K10*13*10 TIMKEN  190RT91 SKF  CR40X58X8HMS5RG SKF  29360 国产  24124 LYC  7318 C/P4 LYC  GIL25-UK NSK  NUP306EW NMB  R-2 TORRINGTON  22314CCK/W33+H2314 FAG  HCS7026-E-T-P4S MRC  NF314 FAG  1209-K-TVH-C3

版权所有©2009-2015 轴承狗zcgou.com ICP备案:津ICP备14004550号-13