SKF628/5-2Z轴承详细参数

发布时间:2026-05-30
深沟球轴承, 单列, 两面防尘罩
主要数据尺寸 基本负荷额定值 疲劳负荷限值 额定速度 体积 型号
动态 静态 参照速度 限制速度
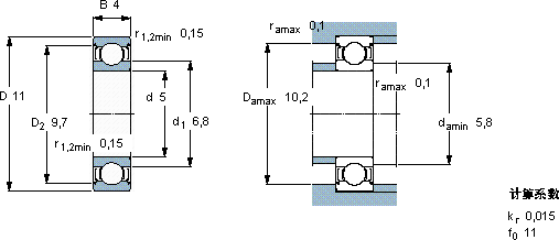
d D B C C0 Pu
mm kN kN r/min kg -
51140,6370,2550,011120000600000,0014628/5-2Z

SKF628/5-2Z深沟球轴承供应商

八零动力专业销售628/5-2Z深沟球轴承,库存SKF628/5-2Z大量现货,与SKF合作,咨询热线:022-58519723业务咨询
SKF628/5-2Z它的设计巧妙,在保证性能的同时,还兼顾了安装的便捷性卓越的性能和可靠的质量,让这款轴承成为市场的宠儿它的径向跳动控制,达到了行业顶尖水平 它的可靠性,赢得了无数用户的信赖 制造工艺精湛,使得这款轴承的精度、稳定性和耐用性都非常出色铸就卓越品质,,八零动力SKF深沟球轴承品种全,价格优,质量有保证!

用户关注最多的SKF轴承型号

SKF240/900ECA/W33 SKF6412NR SKF7215C/DT SKFC3022K+H322E* SKFCR12x22x7CRW1V SKFCR62X80X10HMSA10RG SKFCR75X120X12HMS5RG SKFCR85x105x10CRW1R SKFFY3/4WF SKFNJ2317ECM* SKFNU238ECMA* SKFNU310ECML* SKFSY2.3/4WF SKFSYE2.15/16H-3 SKFWS81106

628/5-2Z深沟球轴承近似的SKF轴承型号

SKFW628/9-2Z SKFW628/4-2Z SKFW628/4-2ZR SKFW628/4-2Z SKFW628/8-2Z SKF628* SKF628/5-2Z SKFW628/7-2Z SKFBB1B362809 SKFW628/6-2ZR SKF628/4-2Z SKF628/6-2Z

用户关注最多的轴承狗热门型号

KOYO  52328 SKF  CR1275240 STEYR  6013-RS TORRINGTON  22232CCK/W33+H3132 INA  PCFTR30 NACHI  842/832 TIMKEN  16582/16522 FAG  BND3040-H-W-T-BF-S FAG  23048-K-MB + H3048 MRC  7340B/DT LYC  NN 3014 K/P6 SKF  319166A TIMKEN  23330YM* LYC  LY-N022 SKF  BT4B332078/HA4

版权所有©2009-2015 轴承狗zcgou.com ICP备案:津ICP备14004550号-13