SKF628/6-2Z轴承详细参数

发布时间:2026-04-15
深沟球轴承, 单列, 两面防尘罩
主要数据尺寸 基本负荷额定值 疲劳负荷限值 额定速度 体积 型号
动态 静态 参照速度 限制速度
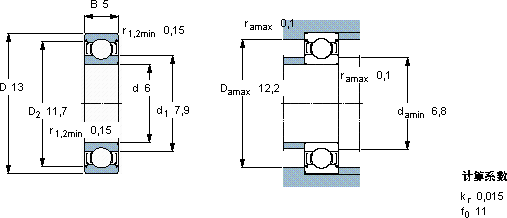
d D B C C0 Pu
mm kN kN r/min kg -
61350,8840,3450,015110000530000,0026628/6-2Z

SKF628/6-2Z深沟球轴承供应商

八零动力专业销售628/6-2Z深沟球轴承,库存SKF628/6-2Z大量现货,与SKF合作,咨询热线:022-58519723业务咨询
SKF628/6-2Z它的尺寸精度,达到了微米级的极致 它在机器人领域的应用,展现了它的高精密性 从制造工艺到实际性能,这款轴承都表现得十分出色,它的质量过硬,为机械设备的高效、安全、稳定运行 它的密封性能,完美抵御灰尘和杂质的侵袭 它机械世界的心脏,默默支撑着无数设备的运转 ,八零动力SKF深沟球轴承品种全,价格优,质量有保证!

用户关注最多的SKF轴承型号

SKF23036CCK/W33+AH3036* SKF24038CCK30/W33* SKF7014CD/P4A SKF7028C SKFAH3134/150G SKFC4126-2CS5V* SKFCR1050240 SKFCR1350549 SKFCR148X170X15HMS5RG SKFCR1588332 SKFCR1850560 SKFCR32X44X7HMSA10RG SKFCR7477 SKFNJ213ECM* SKFPDNB316

628/6-2Z深沟球轴承近似的SKF轴承型号

SKF628-2RS1* SKF628/4-2Z0 SKF628-Z* SKFW628/5-2ZR SKF628/9-2RS1 SKF628/7-2Z SKF628-RS1* SKFW628/6-2Z SKF628/6-2Z SKF628-2Z* SKF628/5-2Z SKF628/7-2Z

用户关注最多的轴承狗热门型号

STEYR  6218 FAG  SNV170-L + 1316-K-M-C3 + H316X211 + TCV616X211 FYH  UCP324 NACHI  7340 FAG  H311X114 TIMKEN  HM220149/HM220110 NSK  40BER19S SKF  23256CACK/W33 NTN  6321N FLT  NJ2210 MRC  7316B SKF  23164CAC/W33 RHP  7320B/DB SNR  7022AC/DF SKF  UEL211

版权所有©2009-2015 轴承狗zcgou.com ICP备案:津ICP备14004550号-13