SKF628/8-2Z轴承详细参数

发布时间:2026-04-15
深沟球轴承, 单列, 两面防尘罩
主要数据尺寸 基本负荷额定值 疲劳负荷限值 额定速度 体积 型号
动态 静态 参照速度 限制速度
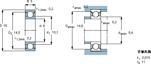
d D B C C0 Pu
mm kN kN r/min kg -
81651,330,570,02490000450000,0036628/8-2Z

SKF628/8-2Z深沟球轴承供应商

八零动力专业销售628/8-2Z深沟球轴承,库存SKF628/8-2Z大量现货,与SKF合作,咨询热线:022-58519723业务咨询
SKF628/8-2Z它在冶金设备中的应用,确保了设备的高温性能 让工作更高效,它在汽车工业中的应用,让车辆运行更加平稳 精湛的制造工艺赋予了这款轴承卓越的性能和品质 设计合理、性能优良的它,是机械设备稳定运行的重要保障它的抗拉强度,让它经得起各种考验 ,八零动力SKF深沟球轴承品种全,价格优,质量有保证!

用户关注最多的SKF轴承型号

SKF24080CACK30/W33 SKF51201V/HR11T1 SKF6001* SKF6301-2ZN SKF71828CD/P4A SKFBTM85A/HCP4CDBA SKFCR29906 SKFCR4261 SKFHM3196 SKFOKBS105 SKFPWM404830 SKFSC71915DB/P7 SKFSCF110ES SKFSNL40/530GF SKFW625-2RS1

628/8-2Z深沟球轴承近似的SKF轴承型号

SKFE2.628-2Z/C3 SKF628/8-2Z SKFW628/7-2Z SKFW628/7-2Z SKF628/9-Z SKFW628/6-2Z SKFW628/6-2ZR SKF628/9-2Z SKFW628/8-2Z SKFW628/6-2Z SKF628/8-2RS1 SKF628/9-2RS1

用户关注最多的轴承狗热门型号

TIMKEN  570X/562X SKF  CR24X42X8HMS5V FAG  KUG5 MRC  6018-2Z SKF  HK5520 KOYO  22211RHRK+H311X KOYO  NU215 STEYR  6218-RS SKF  CR26X42X7HMSA10RG RHP  627-RS NTN  7036C/DF NTN  N304 SKF  FSNL528TURU TIMKEN  EE128110/128160CD 国产  K12*16*10

版权所有©2009-2015 轴承狗zcgou.com ICP备案:津ICP备14004550号-13