SKF628/9-2Z轴承详细参数

发布时间:2026-05-30
深沟球轴承, 单列, 两面防尘罩
主要数据尺寸 基本负荷额定值 疲劳负荷限值 额定速度 体积 型号
动态 静态 参照速度 限制速度
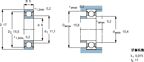
d D B C C0 Pu
mm kN kN r/min kg -
91751,430,640,02785000430000,0043628/9-2Z

SKF628/9-2Z深沟球轴承供应商

八零动力专业销售628/9-2Z深沟球轴承,库存SKF628/9-2Z大量现货,与SKF合作,咨询热线:022-58519723业务咨询
SKF628/9-2Z这轴承的质量过硬,经得起时间和高强度工作的考验它的轴向跳动控制,确保了机械的平稳运行 它的多样化应用,展现了它的无限可能 它在纺织机械中的应用,确保了设备的高速运转 它的可回收性,减少了废弃物处理成本 不得不说,这款轴承的品质过硬,在行业内堪称典范,,八零动力SKF深沟球轴承品种全,价格优,质量有保证!

用户关注最多的SKF轴承型号

SKF23276CACK/W33+H3276 SKF24160CCK30/W33+AOH24160* SKF3316DMA SKF81216TN SKFCR25X62X10HMS5RG SKFCR285x325x16HDS1R SKFCR38.5X58X7HMS5V SKFCR99294 SKFCR99721 SKFEE763330/410 SKFNJ204E+HJ204E SKFNU28/600ECMA SKFNU2348ECMA SKFNUP2219ECP SKFWS81188

628/9-2Z深沟球轴承近似的SKF轴承型号

SKF628-Z* SKF628-RS1* SKF628/6-2Z SKF628/9-2RS1 SKF628/8-2Z SKF628/9-Z SKFW628/6-2Z SKF628/8-2RS1 SKF628/6-2Z SKFW628/8-2Z SKF628/9-2RS1 SKF628/9-Z

用户关注最多的轴承狗热门型号

FAG  SNV160-L + 22218-E1 + DHV218 SKF  SAF23036KAx6.1/2 LYC  N 208 INA  GAR8-DO SKF  FBSA209/QFC TORRINGTON  24032CC/W33 国产  32321 NACHI  54224U SKF  PF1.3/8WF TORRINGTON FAFNIR  7012C LYC  FC 4866220 /C4 NACHI  62/32NSE NTN  NU314E SKF  89456M 国产  23048CA

版权所有©2009-2015 轴承狗zcgou.com ICP备案:津ICP备14004550号-13