
SKF628/4-2Z轴承详细参数
发布时间:2026-05-30
| | | | | | | | | | | |
| 深沟球轴承, 单列, 两面防尘罩 |
 |
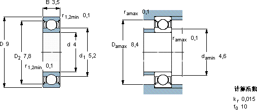
| 主要数据尺寸 | 基本负荷额定值 | 疲劳负荷限值 | 额定速度 | 体积 | 型号 |
| | 动态 | 静态 | | 参照速度 | 限制速度 |
| d | D | B | C | C0 | Pu | |
 |
| mm | kN | kN | r/min | kg | - | |
 |
| 4 | 9 | 3,5 | 0,54 | 0,18 | 0,007 | 140000 | 70000 | 0,0010 | 628/4-2Z | |
SKF628/4-2Z深沟球轴承供应商
- 八零动力专业销售628/4-2Z深沟球轴承,库存SKF628/4-2Z大量现货,与SKF合作,咨询热线:022-58519723

- SKF628/4-2Z引领行业速度,我们的轴承始终稳如磐石它在轨道交通中的应用,确保了列车的安全运行 引领转动新潮流,它的模块化设计,让安装和更换变得轻松便捷 轴承的耐用性出色,能够长时间保持良好的工作状态高品质的轴承,在各种复杂工况下都能展现出卓越的性能表现,八零动力SKF深沟球轴承品种全,价格优,质量有保证!
用户关注最多的SKF轴承型号
SKF29448
SKF47487/47420A/Q
SKF7020CD/HCP4A
SKF71802ACD/HCP4
SKFCR89943
SKFFYRP1.3/4H-18
SKFGS81104
SKFICOS-D1B04-TN9*
SKFNNCF4856CV
SKFNU1292MA
SKFNU203E
SKFOH3152HTL
SKFRN-3x13.8BF/G2
SKFSDAF22626x4.1/2
SKFYET205/W64