SKF619/530MA轴承详细参数

发布时间:2026-04-15
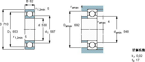
深沟球轴承, 单列, 无密封件
主要数据尺寸 基本负荷额定值 疲劳负荷限值 额定速度 体积 型号
动态 静态 参照速度 限制速度
d D B C C0 Pu
mm kN kN r/min kg -
5307108248893015,61600130090,5619/530 MA

SKF619/530MA深沟球轴承供应商

八零动力专业销售619/530MA深沟球轴承,库存SKF619/530MA大量现货,与SKF合作,咨询热线:022-58519723业务咨询
SKF619/530MA这轴承的质量过硬,经得起时间和高强度工作的考验优秀的设计和卓越的性能,让这款轴承备受青睐它的滚动体与沟槽的配合,堪称完美 转动精彩质量无可挑剔的轴承,为设备的高效运作提供了有力支持持久转动,八零动力SKF深沟球轴承品种全,价格优,质量有保证!

用户关注最多的SKF轴承型号

SKF2207EKTN9 SKF22338CCJA/W33VA406* SKF241/710ECA/W33 SKF30326J2 SKF3222A SKF331197A SKF619/530MA SKF71822CD/HCP4A SKF7200ACD/HCP4A SKFCR19643 SKFCR400404 SKFCR44X70X8CRW1R SKFGE35CS-2Z SKFSALKAC8M SKFSNL3076L

619/530MA深沟球轴承近似的SKF轴承型号

SKF61910-2RS1 SKF619/710MA SKF619/600MA SKF619/500MA SKF61901-2Z SKFW619/4 SKF61915/W64 SKF61916-2RS SKF61903-2RS1 SKF61964MA SKF619/500MA SKF619/560MA

用户关注最多的轴承狗热门型号

ZKL  7314B/DT TIMKEN  6580/6536 TIMKEN  150RF92 TIMKEN  569 /563-B NTN  22340CCK/W33+H2340 RHP  NF319 SKF  SNL3076FTURT FAG  22315-E1 FAG  SNV160-L + 2315-K-M-C3 + H2315X208 + DH615X207 SKF  SNP3048x8.7/16 IKO  TLAM5020 IKO  CRBS608VUU IKO  CF-RU1-8 IKO  LRB162020 Stieber  DC235J-60

版权所有©2009-2015 轴承狗zcgou.com ICP备案:津ICP备14004550号-13