SKF619/500MA轴承详细参数

发布时间:2026-04-14
深沟球轴承, 单列, 无密封件
主要数据尺寸 基本负荷额定值 疲劳负荷限值 额定速度 体积 型号
动态 静态 参照速度 限制速度
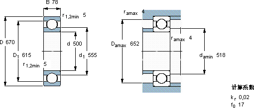
d D B C C0 Pu
mm kN kN r/min kg -
50067078462865151700140077,0619/500 MA

SKF619/500MA深沟球轴承供应商

八零动力专业销售619/500MA深沟球轴承,库存SKF619/500MA大量现货,与SKF合作,咨询热线:022-58519723业务咨询
SKF619/500MA质量无可比拟的轴承,在行业内树立了良好的品质标杆设计合理、性能优良的它,是机械设备实现高效运行的重要保障轴承的耐用性出色,能够长时间保持良好的工作状态它的高效率,让机械运转更加节能 它在冶金设备中的应用,确保了设备的高温性能 它虽小,却是工业革命的基石 ,八零动力SKF深沟球轴承品种全,价格优,质量有保证!

用户关注最多的SKF轴承型号

SKF1307EKTN9 SKF206 SKF2216ETN9 SKF23092CACK/W33 SKF6013NR* SKF71922ACD/HCP4A SKF7230BGAM SKFCR15460 SKFCR19754 SKFCR43820 SKFNJ2318ECP SKFNK18/20 SKFNU304ECP SKFS7018ACD/HCP4A SKFSC71907FB/P7

619/500MA深沟球轴承近似的SKF轴承型号

SKF61915/W64 SKF619/710MA SKFW619/9-2Z SKF61938MA SKF619/8 SKF61972MA SKF619/8-2Z SKF61904-2RZ SKF61913-2RZ SKF61948 SKF619/5-2Z SKF619/530MA

用户关注最多的轴承狗热门型号

FAG  SNV080-L + 22208-E1-K + H308X106 + FSV508 SNR  6008-RS FAG  VRE317-E SKF  2219KM+H319 SKF  GS81113 TIMKEN  387-S/384ED+X1S-387 SKF  22222CCK/W33 INA  RAE20-NPP-FA106 国产  6317-2Z/Z2 NSK  NJ226EM TIMKEN  G1114KLL NSK  NU348 FAG  HSS7019-E-T-P4S TIMKEN  435/432AB NTN  NUP2232E

版权所有©2009-2015 轴承狗zcgou.com ICP备案:津ICP备14004550号-13