SKF61948MA轴承详细参数

发布时间:2026-04-15
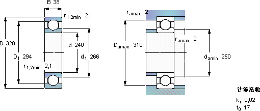
深沟球轴承, 单列, 无密封件
主要数据尺寸 基本负荷额定值 疲劳负荷限值 额定速度 体积 型号
动态 静态 参照速度 限制速度
d D B C C0 Pu
mm kN kN r/min kg -
240320381592005,1400032008,661948 MA

SKF61948MA深沟球轴承供应商

八零动力专业销售61948MA深沟球轴承,库存SKF61948MA大量现货,与SKF合作,咨询热线:022-58519723业务咨询
SKF61948MA它在医疗设备中的应用,确保了设备的稳定性 品质卓越承载重托先进的制造技术和严格的质量控制,造就了这款优质轴承转动世界的精密之选,它的抗震性能,确保了它在振动环境下的可靠性 ,八零动力SKF深沟球轴承品种全,价格优,质量有保证!

用户关注最多的SKF轴承型号

SKF22238CCK/W33 SKF4214ATN9 SKF6205-2Z* SKF7328B SKFCR14X20X3HM4R SKFCR17136 SKFCR35X55X8HMS5RG SKFCR42X55X8HMSA10RG SKFCR90802 SKFHA3130 SKFHK2820 SKFNKS35 SKFNU221ECML* SKFS71909ACD/P4A SKFS71918ACD/HCP4A

61948MA深沟球轴承近似的SKF轴承型号

SKF61948MA SKF61948 SKF61948MA SKF61948MA SKF619/5

用户关注最多的轴承狗热门型号

MRC  N204 SKF  24052CACK30/W33 SKF  CR25X35X6HMS5V MRC  71921C/DB 国产  NU2330EM TORRINGTON  23072CACK/W33 SKF  719/710ACMB/P5 LYC  6405 E NTN  NJ2316E+HJ2316E TIMKEN  3660/3620-B FAG  1316-K-M-C3 + H316 NTN  23026CC/W33 INA  G8X12X3 STEYR  6001-2RS SKF  BK0810

版权所有©2009-2015 轴承狗zcgou.com ICP备案:津ICP备14004550号-13