SKF619/800MA轴承详细参数

发布时间:2026-04-14
深沟球轴承, 单列, 无密封件
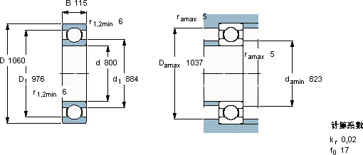
主要数据尺寸 基本负荷额定值 疲劳负荷限值 额定速度 体积 型号
动态 静态 参照速度 限制速度
d D B C C0 Pu
mm kN kN r/min kg -
8001060115832204028,5950800275619/800 MA

SKF619/800MA深沟球轴承供应商

八零动力专业销售619/800MA深沟球轴承,库存SKF619/800MA大量现货,与SKF合作,咨询热线:022-58519723业务咨询
SKF619/800MA它的抗氧化性能,延长了它的使用寿命 转动不停歇这轴承的设计精妙,充分考虑了各种实际应用需求它的精密制造工艺,让人叹为观止 它的轻量化设计,减少了材料的使用 承载重托,八零动力SKF深沟球轴承品种全,价格优,质量有保证!

用户关注最多的SKF轴承型号

SKF7205BECBY SKFAMS16ABP SKFBC2B322216 SKFCR42X72X10HMSA10V SKFCR440x472x16HS8R SKFCR595636 SKFKMK1 SKFNJ1064MA SKFNUP214ECML* SKFNUP304ECP* SKFNUP312E SKFOH3268H SKFPCM121408E SKFQJ208MA SKFSNW138x6.7/8

619/800MA深沟球轴承近似的SKF轴承型号

SKF619/5 SKFW619/6-2Z SKF61934 SKF619/530 SKFW619/9-2Z SKF619/600MA SKF61968MA SKF61910-RZ SKF61904 SKF61911-2RS SKF619/8-2Z SKF619/850MA

用户关注最多的轴承狗热门型号

NSK  7324BDF SKF  SYE1.7/16 LYC  30213/P6A KOYO  23088R LYC  012.60.2000.12 LYC  LY-6017 KOYO  23252CACK/W33 RIV  NU230 NSK  NU219W TIMKEN  LM742749/LM742714 国产  61915-ZNR STEYR  634-2Z SKF  7010CE/P4A IKO  NA4968 IKO  IRT5550

版权所有©2009-2015 轴承狗zcgou.com ICP备案:津ICP备14004550号-13