SKF61980MA轴承详细参数

发布时间:2026-04-14
深沟球轴承, 单列, 无密封件
主要数据尺寸 基本负荷额定值 疲劳负荷限值 额定速度 体积 型号
动态 静态 参照速度 限制速度
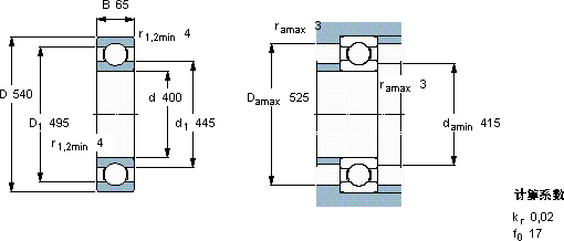
d D B C C0 Pu
mm kN kN r/min kg -
4005406534557011,22200180041,561980 MA

SKF61980MA深沟球轴承供应商

八零动力专业销售61980MA深沟球轴承,库存SKF61980MA大量现货,与SKF合作,咨询热线:022-58519723业务咨询
SKF61980MA它的疲劳强度,确保了长期使用的可靠性 它的滚动体分布均匀,运转平稳无振动 质量无可挑剔的轴承,在行业内树立了良好的口碑和形象质量上乘的轴承,是提升机械设备性能的关键因素它的尺寸一致性,让批量生产成为可能 引领转动新潮流,,八零动力SKF深沟球轴承品种全,价格优,质量有保证!

用户关注最多的SKF轴承型号

SKF22308E* SKF2x7212BECBY SKF32048X/DF SKF6307N* SKF6417 SKFC2238K/HA3C4* SKFCR14864 SKFCR524367 SKFGEZ010ES SKFNNU4121M/W33 SKFNU1032ML SKFPCM105110115E SKFPCZ5648M SKFS7012CD/HCP4A SKFS7014ACD/P4A

61980MA深沟球轴承近似的SKF轴承型号

SKF61980MA SKF61980 SKF61980MA SKF61980MA SKF61984

用户关注最多的轴承狗热门型号

SKF  6309-2Z/VA208 NSK  NU2226EM DKF  7304AC/DF SKF  WEEXB002-2Z NSK  53424XMU TORRINGTON FAFNIR  6210N SKF  CR100X125X12HMS5RG BARDEN  7203C/DT FLT  NJ2311 KOYO  23140RHA TIMKEN  30313/30313 RHP  NUP321 SKF  LM772748/710/HAI IKO  NAX6040 IKO  CFE30-2UU

版权所有©2009-2015 轴承狗zcgou.com ICP备案:津ICP备14004550号-13