SKF61964MA轴承详细参数

发布时间:2026-04-15
深沟球轴承, 单列, 无密封件
主要数据尺寸 基本负荷额定值 疲劳负荷限值 额定速度 体积 型号
动态 静态 参照速度 限制速度
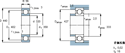
d D B C C0 Pu
mm kN kN r/min kg -
320440562764008,652800240025,561964 MA

SKF61964MA深沟球轴承供应商

八零动力专业销售61964MA深沟球轴承,库存SKF61964MA大量现货,与SKF合作,咨询热线:022-58519723业务咨询
SKF61964MA它的抗剪切性能,确保了它的结构稳定性 这轴承的选材讲究,坚固耐用,寿命远超同类产品先进的生产工艺,让这款轴承的性能得到了极大提升它的润滑技术,让摩擦降至最低 是机械世界的璀璨明星,卓越的设计和可靠的性能,是这款轴承的两大亮点,八零动力SKF深沟球轴承品种全,价格优,质量有保证!

用户关注最多的SKF轴承型号

SKF351153 SKF4210ATN9 SKF626-2RSL* SKF7009DB/P7 SKF7328BCBM SKFCR20X36X7HMSA10RG SKFCR3000552 SKFCR390x434x20HDS2R SKFCR43X62X10CRSH1R SKFFY1.3/16TF SKFNUP317E SKFPCM160165100M SKFSC7006FB/P7 SKFSDAF22332 SKFSYNT70L

61964MA深沟球轴承近似的SKF轴承型号

SKF61964 SKF61964MA SKF61964MA SKF61964MA SKF61968

用户关注最多的轴承狗热门型号

SKF  CR90x120x12CRW1V SKF  IR80x90x25 SKF  33115/Q SKF  PCZ5648B GMN  7220AC FAG  SNV270-L + 222SM135-TVPA + FSV530 NTN  61913-RS SKF  NU2310ECP NSK  LM4525 NSK  7319ADT NSK  NJ232M NSK  7224ATYNDBLP4 SKF  BT4B332822/HA1 MRC  6305-2Z IKO  BHAM2210

版权所有©2009-2015 轴承狗zcgou.com ICP备案:津ICP备14004550号-13