SKF619/5-2Z轴承详细参数

发布时间:2026-04-15
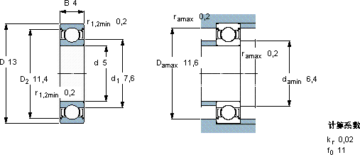
深沟球轴承, 单列, 两面防尘罩
主要数据尺寸 基本负荷额定值 疲劳负荷限值 额定速度 体积 型号
动态 静态 参照速度 限制速度
d D B C C0 Pu
mm kN kN r/min kg -
51340,8840,340,014110000530000,0025619/5-2Z

SKF619/5-2Z深沟球轴承供应商

八零动力专业销售619/5-2Z深沟球轴承,库存SKF619/5-2Z大量现货,与SKF合作,咨询热线:022-58519723业务咨询
SKF619/5-2Z承载重托先进的生产工艺,让这款轴承的性能得到了极大提升精湛的工艺打造出的轴承,精度和稳定性都令人称赞它的精密设计,展现了人类智慧的巅峰 制造工艺精湛,使得这款轴承在运转时更加顺畅平稳它的耐腐蚀性,减少了维护成本 ,八零动力SKF深沟球轴承品种全,价格优,质量有保证!

用户关注最多的SKF轴承型号

SKF220-2Z SKF30307J2/Q SKF51305V/HR22Q2 SKF71876ACGAMB SKFBT2B328957 SKFCR43820 SKFCR5066 SKFCR85908 SKFCR87871 SKFN1020KTNHA/HC5SP SKFNNC4980CV SKFNNU4972BK/SPW33 SKFOKBS124 SKFPCZ0712B SKFPDNB211

619/5-2Z深沟球轴承近似的SKF轴承型号

SKF61980MA SKF619/6-2Z SKF619/7-2Z SKF61914 SKF61912-2RZ SKF61915-2RS1 SKF61910 SKF61902-2Z SKF619/6 SKF61910-RS SKF619/5 SKF619/500MA

用户关注最多的轴承狗热门型号

TIMKEN  EE420701/421417 GMN  7218AC/DT FAG  NJ222-E-TVP2 + HJ222E MAC  NU308 SKF  CR145X175X15HMSA10V SKF  NU2218ECJ* KOYO  51230 SKF  KMT7 SKF  CR38x55x8CRW1R SKF  CR168X200X15CRSH1R NTN  6218-2RZ TIMKEN  M88048-S/M88010 GMN  71909C SKF  SYE3.1/2H SKF  CR97064

版权所有©2009-2015 轴承狗zcgou.com ICP备案:津ICP备14004550号-13