SKF618/750MA轴承详细参数

发布时间:2026-05-30
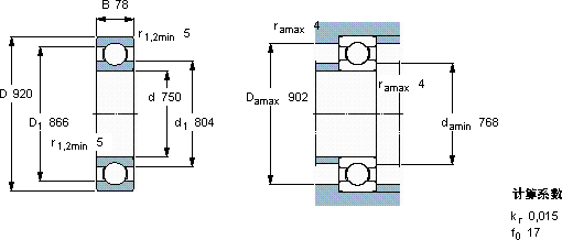
深沟球轴承, 单列, 无密封件
主要数据尺寸 基本负荷额定值 疲劳负荷限值 额定速度 体积 型号
动态 静态 参照速度 限制速度
d D B C C0 Pu
mm kN kN r/min kg -
75092078527125018,31100900110618/750 MA

SKF618/750MA深沟球轴承供应商

八零动力专业销售618/750MA深沟球轴承,库存SKF618/750MA大量现货,与SKF合作,咨询热线:022-58519723业务咨询
SKF618/750MA制造工艺精湛,使得这款轴承的精度和稳定性都非常出色它的低噪音设计,减少了对环境的噪音污染 精湛的制造工艺赋予了这款轴承卓越的性能和品质 质量无可挑剔的轴承,在行业内树立了良好的口碑和形象它在农业机械中的应用,展现了它的耐用性 每一次转动都是精准与力量的完美呈现,,八零动力SKF深沟球轴承品种全,价格优,质量有保证!

用户关注最多的SKF轴承型号

SKF22207CCK/W33 SKF709CD/HCP4A SKF71906FB/P7 SKF7302BECBP SKFBT4-8017/HA1VA941 SKFCR12X24X7HMSA10V SKFCR130X160X15HMSA10RG SKFCR17234 SKFFSYE3.1/2H-18 SKFKD10-604 SKFN1020KTN9/SP SKFNJ215ECM* SKFNNU41/1500M/W33 SKFSY40FM SKFYEL206-104-2FCW

618/750MA深沟球轴承近似的SKF轴承型号

SKF61813-RZ SKF61806-2RS1 SKF618/1000MA SKF61804-2RS1 SKF61884MA SKF61805-RS SKF618/800MA SKF61816-2RS SKF618/1060MA SKF61813-RS SKF618/710MA SKF618/8

用户关注最多的轴承狗热门型号

TIMKEN  GRAE55RRB LYC  28622/01 国产  32016 TIMKEN  34301/34481-B TORRINGTON&FAFNIR  6036 MRC  6308-Z 国产  23164CK/W33 NTN  7816CDB NSK  6019VV SKF  CR36X52X7HMS5RG MRC  7318C/DT NSK  NNU4944K FAG  SD3160-H-TS-BL-L + 231SM280-MA SKF  CR21163 KOYO  RP546031A

版权所有©2009-2015 轴承狗zcgou.com ICP备案:津ICP备14004550号-13